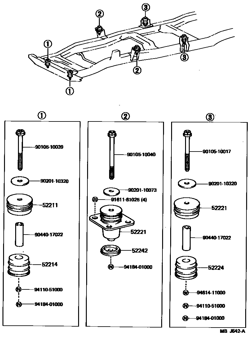
CAB MOUNTING & BODY MOUNTING

52211CUSHION, BODY MOUNTING, NO.1 UPPER
52214CUSHION, BODY MOUNT, NO.1 LOWER
52221CUSHION, BODY MOUNT, NO.2 UPPER
NO.3
52242CUSHION, CAB REAR MOUNTING REBOUND
9010510017
main90105-10017
9010510039
main90105-10039
9010510040
main90105-10040
9020110073
main90201-10073
9020110320
main90201-10320
9044017022
main90440-17022
9161161025
main91611-61025
9411051000
main94110-51000
9418401000
main94184-01000
9461411000
main94614-11000
15 parts on this diagram · 1 diagram in section