E
EPC Data

HEATING & AIR CONDITIONING - CONTROL & AIR DUCT

Parts diagram
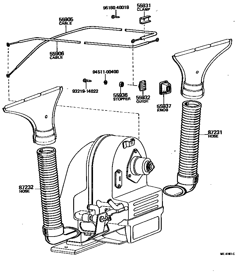
55905CABLE SUB-ASSY, DEFROST CONTROL
main55905-95010i197109-197611
main55905-95012i197109-197902
main55905-95013i197611-197902
55906CABLE SUB-ASSY, HEATER CONTROL
main55906-95010i197109-197902
main55906-95011i197611-197902
55931CLAMP, HEATER CONTROL WIRE
main55931-95010i197109-197902
55932GUIDE, LEVER, NO.1
main55932-95010i197109-197902
55936STOPPER, HEATER CONTROL WIRE CLAMP
main55939-20010i197109-197902
55937KNOB, HEATER CONTROL LEVER
main55937-22901i197611-197902
main55937-95010i197109-197902
87231HOSE, HEATER DEFROSTER, RH
main87231-25070i197109-197511
main87231-25080i197511-197902
main87231-25090i197611-197902
87232HOSE, HEATER DEFROSTER, LH
main87231-25100i197611-197902
main87232-25070i197109-197902
main87232-25080i197109-197902
9321914022
9451100400
9616040018

11 parts on this diagram · 2 diagrams in section

HEATING & AIR CONDITIONING - CONTROL & AIR DUCT — Toyota Parts Diagram with OEM Numbers & Prices | EPC Data