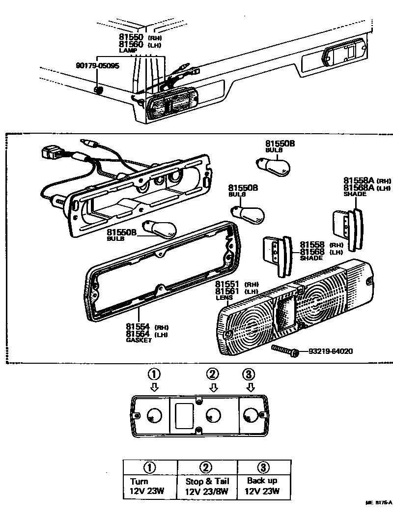
REAR COMBINATION LAMP

81550BBULB(FOR REAR COMBINATION LAMP)
12V 23W,12V 23W
12V 23/8W,12V 23/8W
81551LENS, REAR COMBINATION LAMP, RH
81554GASKET, REAR COMBINATION LAMP BODY, RH
81558SHADE, REAR COMBINATION LAMP, NO.1 RH
81558ASHADE, REAR COMBINATION LAMP, NO.2 RH
81561LENS, REAR COMBINATION LAMP, LH
81564GASKET, REAR COMBINATION LAMP BODY, LH
81568SHADE, REAR COMBINATION LAMP, NO.1 LH
81568ASHADE, REAR COMBINATION LAMP, NO.2 LH
9017905095
main90179-05095
9321964020
main93219-64020
13 parts on this diagram · 1 diagram in section