E
EPC Data

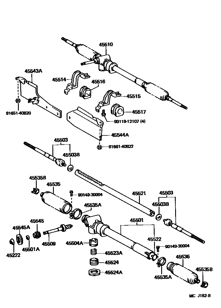
FRONT STEERING GEAR & LINK

Parts diagram
45222COVER, STEERING GEAR DUST
main45222-27020i198908-199508
main45222-32010i198908-199508
W(POWER STEERING)
45501HOUSING SUB-ASSY, STEERING RACK
main45501-26010i198908-199508
main45501-26020i198908-199508
45501ASEAL, TYPE T OIL(FOR STEERING RACK HOUSING)
main90311-15002i198908-199508
45503END SUB-ASSY, STEERING RACK
main45503-29255i198908-199508
main45503-29275i198908-199508
45503BWASHER, CLAW(FOR STEERING RACK END)
main90214-14005i198908-199508
OD=41
45504AGUIDE SUB-ASSY, RACK
main45504-26010i198908-199508
45509PINION SUB-ASSY, STEERING
main45509-26010i198908-199508
main45509-26020i198908-199508
45510GEAR ASSY, STEERING
main45510-26010i198908-199508
main45510-26020i198908-199508
45514BRACKET, STEERING RACK HOUSING, NO.1
main45514-26020i198908-199508
main45514-26030i198908-199308
45515BRACKET, STEERING RACK HOUSING, NO.2
main45515-26020i198908-199508
main45515-26030i198908-199508
45516GROMMET, STEERING RACK HOUSING, NO.1
main45516-26010i198908-199508
main45516-28010i198908-199308
45517GROMMET, STEERING RACK HOUSING, NO.2
main45517-26020i198908-199508
W(POWER STEERING)
main45517-26030i198908-199508
main45517-28010i198908-199508
45521RACK, STEERING
main45521-26010i198908-199508
main45521-26020i198908-199508
45522BUSH, STEERING RACK
main45522-26010i198908-199508
45523GUIDE, RACK(FOR STEERING GEAR)
main45523-28010i198908-199508
45523ASPRING(FOR STEERING GEAR RACK GUIDE)
main90501-23024i198908-199508
W(POWER STEERING)
main90501-40021i198908-199508
45524CAP, STEERING RACK GUIDE SPRING
main45524-16010i198908-199308
main45524-16010i198908-199508
W(POWER STEERING)
main45524-20040i199308-199508
main45524-26010i198908-199306
main45524-34010i199306-199508
45524ANUT(FOR STEERING RACK GUIDE SPRING CAP)
main90179-36002i198908-199508
W(POWER STEERING)
main90179-48002i198908-199508
45535BOOT, STEERING RACK, NO.1
main45535-26020i198908-199508
45535ACLAMP(FOR STEERING RACK BOOT)
main90460-44003i198908-199508
INNER
main90460-55011i198908-199508
OUTER
main90460-55011i198908-199508
W(POWER STEERING)
45535BCLIP(FOR STEERING RACK BOOT)
main90467-21006i198908-199508
45536BOOT, STEERING RACK, NO.2
main45535-26020i198908-199508
W(POWER STEERING)
main45536-26010i198908-199508
45543APROTECTOR, STEERING RACK BOOT, RH
main45543-26010i198908-199408
main45543-26020i198908-199408
45544APROTECTOR, STEERING RACK BOOT, LH
main45544-26010i198908-199408
main45544-26020i198908-199408
45545SCREW, PINION BEARING ADJUSTING
main45545-26010i199401-199508
main45545-27010i198908-199401
45545ANUT(FOR PINION BEARING ADJUSTING SCREW)
main90179-38001i198908-199508
9011912107
9014930004
9165140820
9166140822

30 parts on this diagram · 7 diagrams in section

FRONT STEERING GEAR & LINK — Toyota Parts Diagram with OEM Numbers & Prices | EPC Data