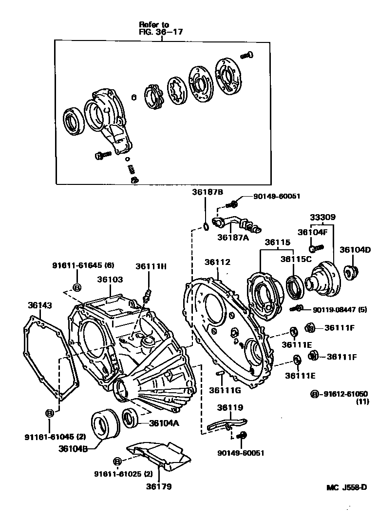
TRANSFER CASE & EXTENSION HOUSING

36103CASE SUB-ASSY, TRANSFER
sub36103-28020
sub36103-26020
sub36184-28030
sub36187-25010
sub90149-60051
sub90341-12014
sub90341-14008
sub96411-12800
sub96721-24017
36104BDEFLECTOR, DUST (FOR TRANSFER OUTPUT SHAFT)
36104DNUT (FOR TRANSFER OUTPUT SHAFT)
36104FBOLT (FOR TRANSFER OUTPUT SHAFT COMPANION FLANGE)
36111EGASKET (FOR TRANSFER CASE)
36111FPLUG (FOR TRANSFER CASE)
FILLER
DRAIN
36111GPIN, STRAIGHT (FOR TRANSFER CASE)
L=14,OD=10
36111HPLUG, BREATHER (FOR TRANSFER CASE)
36112CASE, TRANSFER, REAR
36115CSEAL, TYPE T OIL (FOR TRANSFER EXTENSION HOUSING)
sub90311-52021
36119RECEIVER, TRANSFER OIL, NO.1
36143GASKET, TRANSFER CASE, FRONT
3617
36187ASTRAINR, TRANSFER OIL, NO.1
36187BRING, O (FOR TRANSFER OIL STRAINER)
9011908447
main90119-08447
9014960051
main90149-60051
9116161045
main91161-61045
9161161025
main91611-61025
9161161645
main91611-61645
9161261050
main91612-61050
25 parts on this diagram · 1 diagram in section