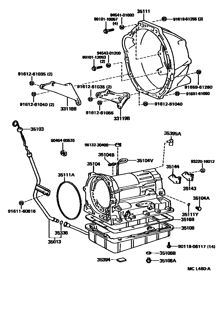
TRANSMISSION CASE & OIL PAN (ATM)

35103GAGE SUB-ASSY, TRANSMISSION OIL LEVEL
35104CASE SUB-ASSY, AUTOMATIC TRANSMISSION
35104APLUG, AUTOMATIC TRANSMISSION CASE
35104BPLUG, BREATHER, NO.1 (ATM)
MISSION CASE SIDE
BODY SIDE
35106APLUG SUB-ASSY, DRAIN (ATM)
sub90341-10011
35106BGASKET, DRAIN PLUG (ATM)
35111ARING, O (FOR AUTOMATIC TRANSMISSION HOUSING)
35111YRING, O (FOR AUTOMATIC TRANSMISSION CASE)
35143COVER, TRANSMISSION CASE, REAR
35168GASKET, AUTOMATIC TRANSMISSION OIL PAN
35336RING, O (FOR TRANSMISSION OIL FILLER TUBE)
35394MAGNET, OIL CLEANER (FOR TRANSMISSION)
35395ASTRAINER, GOVERNOR OIL
9010110057
main90101-10057
9010112053
main90101-12053
9011906117
main90119-06117
9046400535
main90464-00535
9161160816
main91611-60816
9161261035
main91612-61035
9161261040
main91612-61040
9161261055
main91612-61055
9161961255
main91619-61255
9165161060
main91651-61060
9165961260
main91659-61260
9322016012
main93220-16012
9454101000
main94541-01000
9454201200
main94542-01200
9613230400
main96132-30400
35 parts on this diagram · 2 diagrams in section