MOUNTING

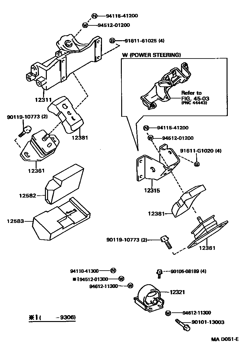
12315BRACKET, ENGINE MOUNTING, FRONT NO.1 LH
12321BRACKET, ENGINE MOUNTING, REAR, NO.1
sub12303-67020
sub12303-67030
sub12303-54041
sub12303-67021
sub12303-67031
12381STABILIZER, ENGINE MOUNTING
4503
9010113003
main90101-13003
9010508189
main90105-08189
9011910773
main90119-10773
9161161025
main91611-61025
91611G1020
main91611-G1020
9411041300
main94110-41300
9411541200
main94115-41200
9451201200
main94512-01200
9451201300
main94512-01300
9461211300
main94612-11300
18 parts on this diagram · 2 diagrams in section