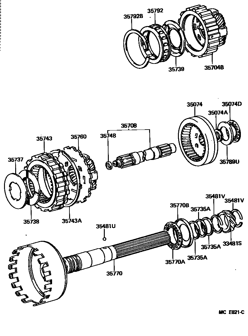
PLANETARY GEAR, REVERSE PISTON & COUNTER GEAR(ATM)

33481SGEAR, SPEEDOMETER DRIVE (ATM)
N=4
N=5,MARK 5X17-19
35074GEAR SUB-ASSY, REAR PLANETARY RING
35074ARING, SET (FOR REAR PLANETARY RING GEAR)
35074DBEARING, THRUST (FOR REAR PLANETARY RING GEAR REAR)
35481UKEY OR BALL, SPEEDMETER DRIVE GEAR (ATM)
35481VRING OR SPACER (FOR ATM SPEEDMETER DRIVE GEAR)
T=1.50,OD=33.8
35704BGEAR SUB-ASSY, FRONT PLANETARY
35708SHAFT SUB-ASSY, INTERMEDIATE
35735ARING, PLANETARY OUTPUT SHAFT OIL SEAL
35737WASHER, PLANETARY CARRIER THRUST
35738WASHER, PLANETARY CARRIER THRUST, NO.2
35739WASHER, PLANETARY CARRIER THRUST, NO.3
35743GEAR, FRONT PLANETARY RING
35743ARING, SHAFT SNAP (FOR FRONT PLANETARY RING GEAR)
35748RING, INTERMEDIATE SHAFT SLEEVE OIL SEAL
35760GEAR ASSY, REAR PLANETARY
35770SHAFT ASSY, OUTPUT
35770ABEARING, THRUST (FOR OUTPUT SHAFT)
35770BRACE, THRUST BEARING (FOR OUTPUT SHAFT)
35789URACE, THRUST BEARING
35792CLUTCH, 1 WAY, NO.2
35792BRING, HOLE SNAP (FOR 1 WAY CLUTCH NO.2)
22 parts on this diagram · 1 diagram in section