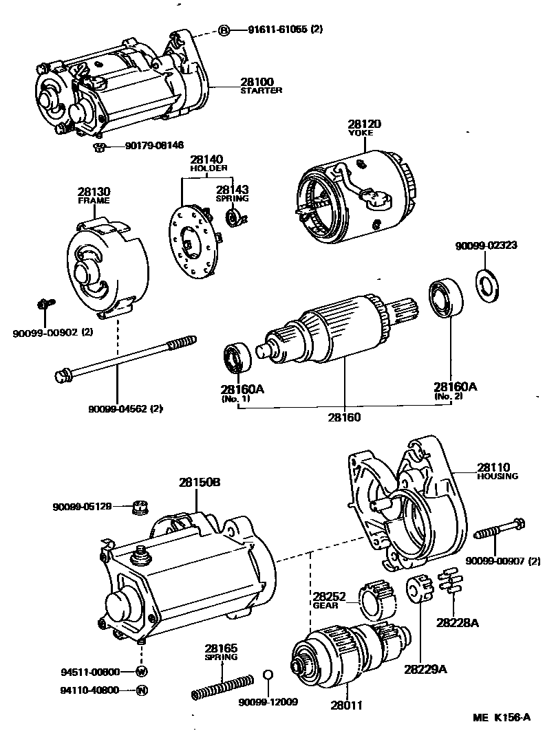
STARTER

28011CLUTCH SUB-ASSY, STARTER
28100STARTER ASSY
12V 1.0KW
12V 1.0KW
28110HOUSING ASSY, STARTER DRIVE
COLD SPEC
28120YOKE ASSY, STARTER
COLD SPEC
28130FRAME ASSY, STARTER COMMUTATOR END
28140HOLDER ASSY, STARTER BRUSH
COLD SPEC
28143SPRING, STARTER BRUSH
28160ABEARING, STARTER ARMATURE
NO.1
NO.1
COLD SPEC,NO.1
NO.2
COLD SPEC,NO.2
NO.2
28165SPRING, STARTER MAGNET SWITCH RETURN
COLD SPEC
28228AROLLER, STARTER CLUTCH
COLD SPEC
28229ARETAINER, STARTER IDLE GEAR
COLD SPEC
28252GEAR, STARTER IDLE
COLD SPEC
9009900902
main90099-00902
9009900907
main90099-00907
9009902323
main90099-02323
9009904562
main90099-04562
9009905129
main90099-05129
9009912009
main90099-12009
9017908146
main90179-08146
9161161055
main91611-61055
9411040800
main94110-40800
9451100800
main94511-00800
24 parts on this diagram · 3 diagrams in section