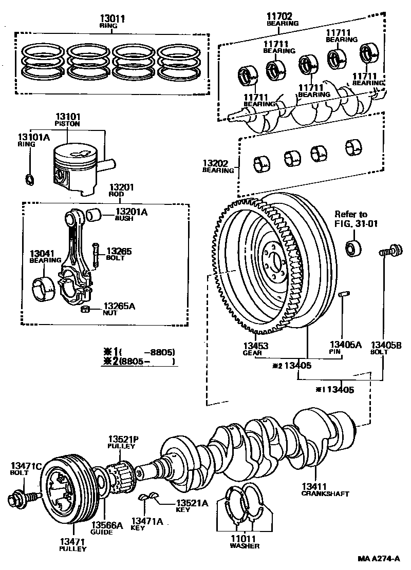
CRANKSHAFT & PISTON

11011WASHER SET, CRANKSHAFT THRUST
STD
STD
O/S 0.125
O/S 0.250
11702BEARING SET, CRANKSHAFT
U/S 0.25
11711BEARING, CRANKSHAFT
MARK 1
MARK 2
MARK 3
13011RING SET, PISTON
STD
O/S 0.50
13041BEARING, CONNECTING ROD
MARK 1
MARK 2
MARK 3
13101PISTON SUB-ASSY, W/PIN
STD
STD
STD
O/S 0.50
O/S 0.50
O/S 0.50
O/S 0.75
O/S 1.00
13101ARING, HOLE SNAP(FOR PISTON PIN)
13201ABUSH(FOR CONNECTING ROD SMALL END)
13202BEARING SET, CONNECTING ROD
U/S 0.25
U/S 0.50
13405FLYWHEEL SUB-ASSY
13405APIN, STRAIGHT(FOR FLYWHEEL)
L=23,OD=8
13405BBOLT, FLYWHEEL SETTING
13453GEAR, FLYWHEEL RING
13471PULLEY, CRANKSHAFT
13521GEAR OR SPROCKET, CRANKSHAFT TIMING
13521PPULLEY, CRANKSHAFT TIMING
3101
25 parts on this diagram · 2 diagrams in section