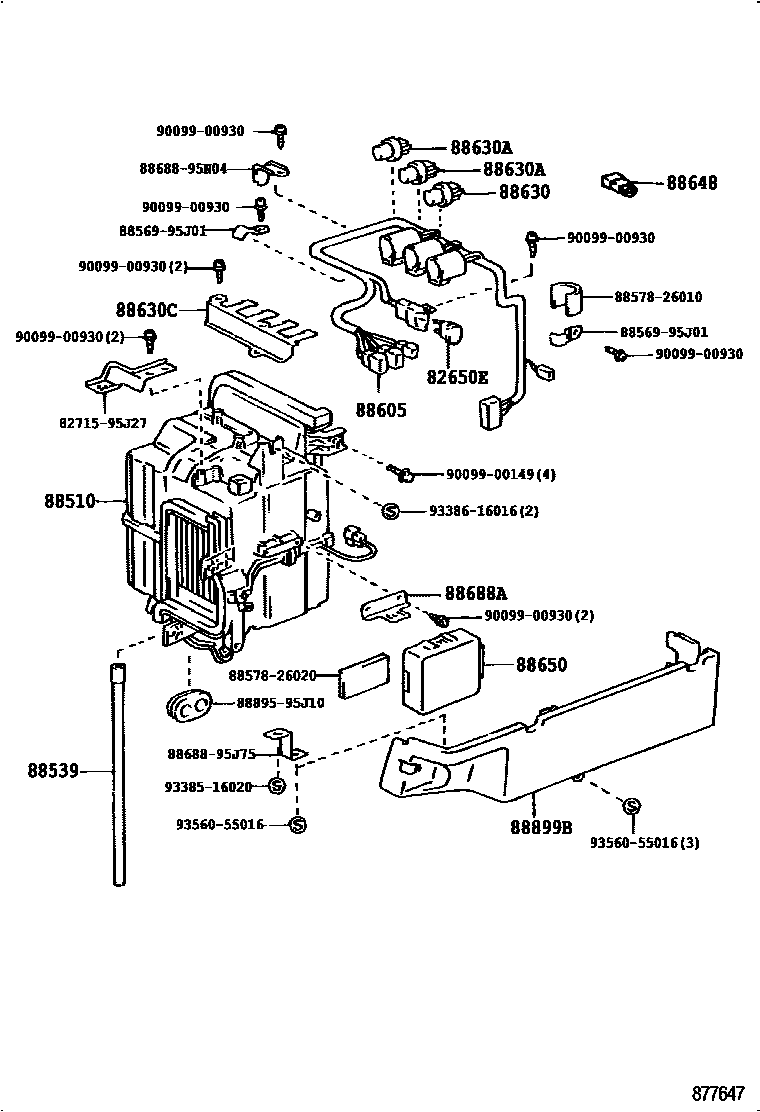
HEATING & AIR CONDITIONING - COOLER UNIT

82650EBREAKER ASSY, WIRING CIRCUIT
20A
88510UNIT ASSY, COOLER
main88510-26510iLH113,172,RZH113..RHD..SRF..4D..STD..GEN;LH102,103,112,114,115,RZH102,103,104,112,114,115..RHD..GEN199308-200602
88539HOSE, COOLER UNIT DRAIN, NO.1
main88539-26150iRZH115..CBR;RZH113..4D..STD..EFI;RZH105,115..STD..CIS;LH172..RHD..SRF..4D..STD..GEN;LH10#,112,114,115,166,176,RZH102,104,112,114,125;LH113,125,RZH103..(03S,06S,14S)199308-200602
88605HARNESS SUB-ASSY, COOLER WIRING, NO.1
W(HEATER)
W(HEATER)
W(HEATER)
W(HEATER)
W(HEATER)
W(HEATER)
W(HEATER)
W(HEATER)
W(DUAL AIR CONDITIONER W/HEATER)
sub88605-2F490
W(DUAL AIR CONDITIONER W/BOOST VENTILATOR)
W(SINGLE AIR CONDITIONER W/HEATER)
W(SINGLE AIR CONDITIONER W/BOOST VENTILATOR)
W(SINGLE AIR CONDITIONER W/O HEATER)
W(SINGLE AIR CONDITIONER W/HEATER)
W(DUAL AIR CONDITIONER W/HEATER)
W(DUAL AIR CONDITIONER W/O HEATER)
W(DUAL AIR CONDITIONER)
W(DUAL AIR CONDITIONER W/HEATER)
W(DUAL AIR CONDITIONER W/BOOST VENTILATOR)
W(DUAL AIR CONDITIONER)
W(DUAL AIR CONDITIONER W/HEATER)
W(DUAL AIR CONDITIONER W/BOOST VENTILATOR)
W(DUAL AIR CONDITIONER W/O HEATER)
SINGLE AIR CONDITIONER
W(SINGLE AIR CONDITIONER)
main88605-2F150iLH162..5F..GEN;LH103,112,113..RHD;LH172..4D..06S..STD..DSL;LH172..RHD..03S..STD..GEN199508-200602
W(SINGLE AIR CONDITIONER W/HEATER)
W(SINGLE AIR CONDITIONER)
W(SINGLE AIR CONDITIONER W/O HEATER)
W(SINGLE AIR CONDITIONER W/HEATER)
W(SINGLE AIR CONDITIONER W/BOOST VENTILATOR)
W(DUAL AIR CONDITIONER W/HEATER)
W(SINGLE AIR CONDITIONER W/HEATER)
W(HEATER)
W(HEATER)
W(HEATER)
W(HEATER)
W(HEATER)
W(HEATER)
W(HEATER)
W(HEATER)
88630RELAY ASSY, COOLER
SINGLE AIR CONDITIONER
DEALER OPTION
DUAL AIR CONDITIONER
88630ARELAY ASSY, COOLER
MARK 058700-4000
DEALER OPTION
main88630-95702iLH113,125,172,RZH125..STD..(DSL,EFI);LH10#,112,114,115,166,174,176,RZH10#,11#199608-200308
MARK 058700-0360
88630CBRACKET, COOLER RELAY
88648WIRING, COOLER, NO.1
88650AMPLIFIER ASSY, COOLER STABILIZER
DEALER OPTION,SINGLE AIR CONDITIONER
SINGLE AIR CONDITIONER
DUAL AIR CONDITIONER
DUAL AIR CONDITIONER & W(BOOST VENTILATOR)
main88650-26260iRZH155;RZH113..GCC..EFI;RZH103,105,113,115..4D..SG..(GL,STD)..(GCC,GEN)..EFI199907-200508
DUAL AIR CONDITIONER
DUAL AIR CONDITIONER & W(BOOST VENTILATOR)
DUAL AIR CONDITIONER & W(HEATER)
DUAL AIR CONDITIONER
DUAL AIR CONDITIONER
DUAL AIR CONDITIONER & W(HEATER)
88688ABRACKET, COOLER STABILIZER AMPLIFIER
88899BCOVER, COOLER CONTROL
DEALER OPTION
sub88891-95J27
sub88891-95J27
main88891-26130iRZH113,115..LHD..4D..(CIS,GEN)..EFI;LH114,RZH113,115..LHD..(03S,06S,15S)..(CBR,DSL);LH102,104,105,112,113,115,154,164,166,17#,RZH10#,112,114,155..LHD199808-200508
DEALER OPTION
W(AIR CONDITIONER)
8271595J27BRACKET,WIRING HARNESS CLAMP
main82715-95J27
8856995J01CLAMP (FOR COOLER RELAY)
main88569-95J01
8857826010PAKING, COOLER AIR DUCT
main88578-26010
8857826020PAKING, COOLER AIR DUCT
main88578-26020
8868895J75BRACKET, COOLER DIAPHRAGM
main88688-95J75
8868895N04BRACKET, COOLER DIAPHRAGM
main88688-95N04
8889595J10HOLDER, FUSE
main88895-95J10
9009900149
main90099-00149
9009900930
main90099-00930
9338516020
main93385-16020
9338616016
main93386-16016
9356055016
main93560-55016
23 parts on this diagram · 18 diagrams in section