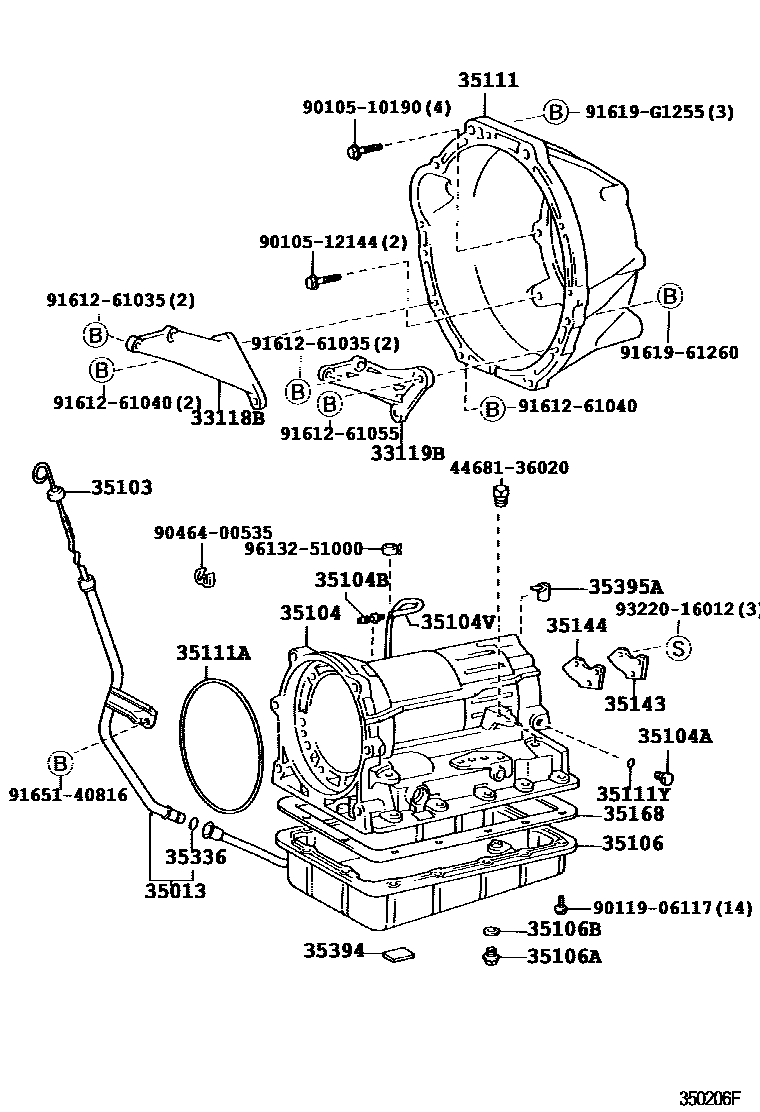
TRANSMISSION CASE & OIL PAN (ATM)

35103GAGE SUB-ASSY, TRANSMISSION OIL LEVEL
35104CASE SUB-ASSY, AUTOMATIC TRANSMISSION
35104APLUG, AUTOMATIC TRANSMISSION CASE
35104BPLUG, BREATHER, NO.1 (ATM)
MISSION CASE SIDE
BODY SIDE
35106BGASKET, DRAIN PLUG (ATM)
35111ARING, O (FOR AUTOMATIC TRANSMISSION HOUSING)
35111YRING, O (FOR AUTOMATIC TRANSMISSION CASE)
35143COVER, TRANSMISSION CASE, REAR
35168GASKET, AUTOMATIC TRANSMISSION OIL PAN
35336RING, O (FOR TRANSMISSION OIL FILLER TUBE)
35394MAGNET, OIL CLEANER (FOR TRANSMISSION)
W(185R14 TIRE)
35395ASTRAINER, GOVERNOR OIL
4468136020PLUG, BOOSTER
main44681-36020
9010510190
main90105-10190
9010512144
main90105-12144
9011906117
main90119-06117
9046400535
main90464-00535
9161261035
main91612-61035
9161261040
main91612-61040
9161261055
main91612-61055
9161961260
main91619-61260
91619G1255
main91619-G1255
9165140816
main91651-40816
9322016012
main93220-16012
9613251000
main96132-51000
33 parts on this diagram · 2 diagrams in section