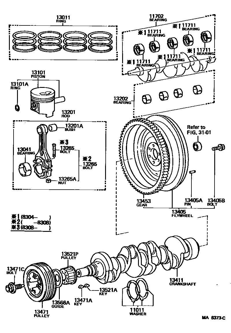
CRANKSHAFT & PISTON

11011WASHER SET, CRANKSHAFT THRUST
STD
11702BEARING SET, CRANKSHAFT
STD
U/S 0.05
U/S 0.25
U/S 0.25,U/S 0.25
U/S 0.50
11711BEARING, CRANKSHAFT
MARK"1",MARK 1
MARK"2",MARK 2
MARK"3",MARK 3
13011RING SET, PISTON
13041BEARING, CONNECTING ROD
13101PISTON SUB-ASSY, W/PIN
STD
STD
STD,STD
STD,STD
STD,STD
STD,CHINA SPEC,STD
STD,STD
O/S 0.50
O/S 0.50
O/S 0.50,O/S 0.50
O/S 0.50,O/S 0.50
O/S 0.50,O/S 0.50
O/S 0.50,CHINA SPEC,O/S 0.50
O/S 0.50,O/S 0.50
O/S 0.75,O/S 0.75
O/S 0.75,O/S 0.75
O/S 0.75,CHINA SPEC,O/S 0.75
O/S 1.00,O/S 1.00
O/S 1.00,O/S 1.00
O/S 1.00,CHINA SPEC,O/S 1.00
13101ARING, HOLE SNAP(FOR PISTON PIN)
13201ABUSH(FOR CONNECTING ROD SMALL END)
13202BEARING SET, CONNECTING ROD
13405APIN, STRAIGHT(FOR FLYWHEEL)
L=23,OD=8,L=23,OD=8
13405BBOLT, FLYWHEEL SETTING
13453GEAR, FLYWHEEL RING
N=115
N=101
13471PULLEY, CRANKSHAFT
13521GEAR OR SPROCKET, CRANKSHAFT TIMING
N=18
13521PPULLEY, CRANKSHAFT TIMING
13566AGUIDE, TIMING BELT
sub13566-54040
3101
25 parts on this diagram · 2 diagrams in section