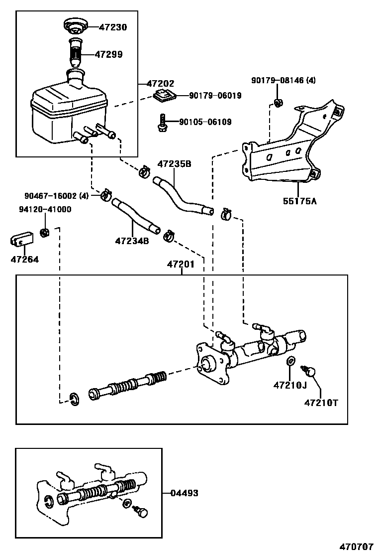
BRAKE MASTER CYLINDER

04493CYLINDER KIT, BRAKE MASTER
SWITZERLAND SPEC
47201CYLINDER SUB-ASSY, BRAKE MASTER
SWITZERLAND SPEC
47202RESERVOIR SUB-ASSY, BRAKE MASTER CYLINDER
47210JGASKET(FOR MASTER CYLINDER)
47210TBOLT(FOR BRAKE MASTER CYLINDER)
SWITZERLAND SPEC
47230CAP ASSY, BRAKE MASTER CYLINDER RESERVOIR FILLER
47234BTUBE, RESERVOIR, NO.1
47235BTUBE, BRAKE MASTER CYRINDER RESERVOIR, NO.2
SWITZERLAND SPEC
47264CLEVIS, MASTER CYLINDER PUSH ROD
SWITZERLAND SPEC
47299STRAINER, BRAKE MASTER CYLINDER RESERVOIR
55175ASUPPORT SUB-ASSY, BRAKE MASTER CYLINDER
SWITZERLAND SPEC
9010506109
main90105-06109
9017906019
main90179-06019
9017908146
main90179-08146
9046716002
main90467-16002
9412041000
main94120-41000
16 parts on this diagram · 2 diagrams in section