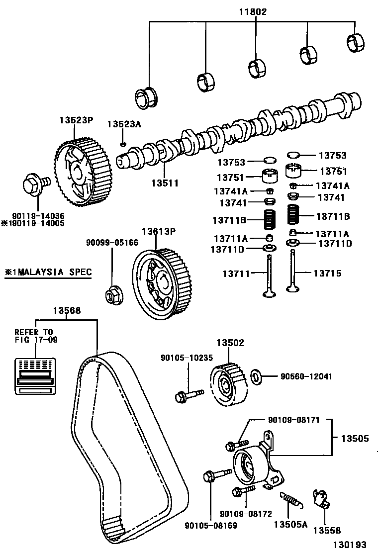
CAMSHAFT & VALVE

11802BEARING SET, CAMSHAFT
13502IDLER SUB-ASSY, TIMING BELT, NO.2
13505IDLER SUB-ASSY, TIMING BELT, NO.1
13505ASPRING, TENSION(FOR IDLER)
13523GEAR OR SPROCKET, CAMSHAFT TIMING
13523PPULLEY, CAMSHAFT TIMING
13558BRACKET, SPRING(FOR IDLER)
13568BELT, TIMING
sub13568-59066
13613PPULLEY, INJECTION PUMP DRIVE
13711VALVE, INTAKE
13711BSPRING, COMPRESSION(FOR INNER)
13711DWASHER, PLATE(FOR VALVE SPRING SEAT)
13715VALVE, EXHAUST
13741RETAINER, VALVE SPRING
EXHAUST
INTAKE
13741ALOCK, VALVE SPRING RETAINER
13753SHIM, VALVE ADJUSTING
T=2.50,MARK=T01
T=2.60,MARK=T06
T=2.70,MARK=T11
T=2.80,MARK=T16
T=2.90,MARK=T21
T=3.00,MARK=T26
T=3.10,MARK=T31
T=3.20,MARK=T36
T=3.30,MARK=T41
T=2.55,MARK=T42
T=2.65,MARK=T43
T=2.75,MARK=T44
T=2.85,MARK=T45
T=2.95,MARK=T46
T=3.05,MARK=T47
T=3.15,MARK=T48
T=3.25,MARK=T49
1709
9009905166
main90099-05166
9010508169
main90105-08169
9010510235
main90105-10235
9010908171
main90109-08171
9010908172
main90109-08172
9011914005
main90119-14005
9011914036
main90119-14036
9056012041
main90560-12041
29 parts on this diagram · 2 diagrams in section