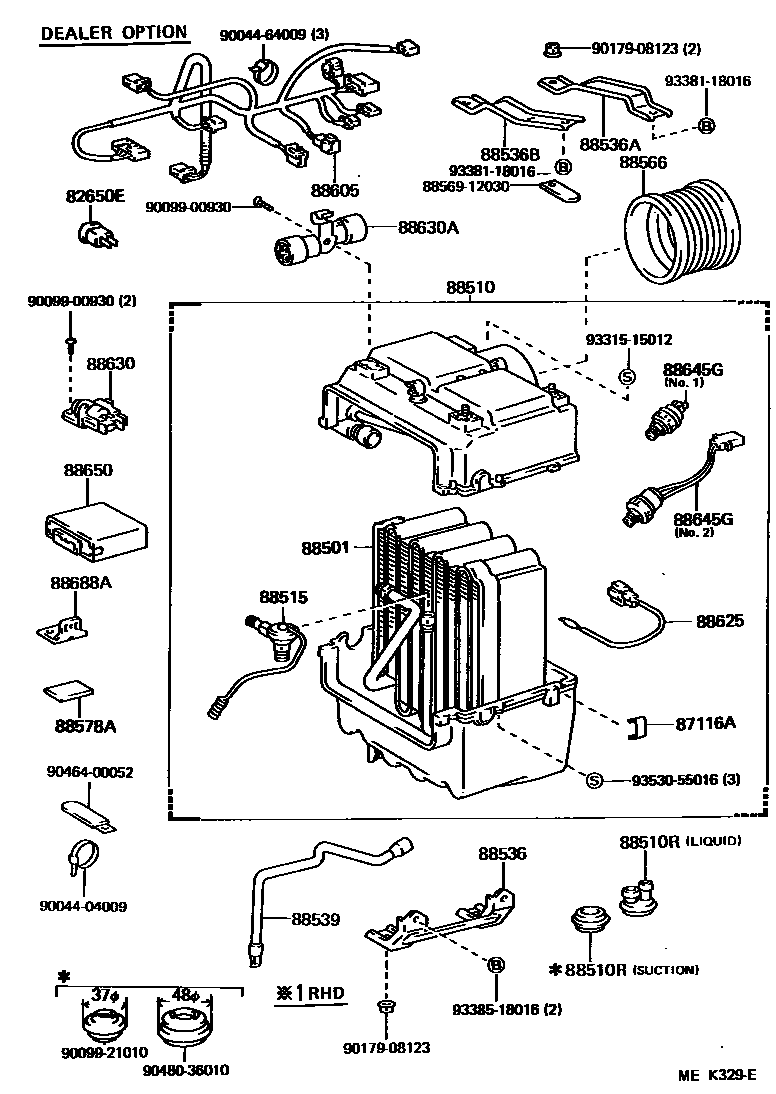
HEATING & AIR CONDITIONING - COOLER UNIT

82650EBREAKER ASSY, WIRING CIRCUIT
14A
87116ASPRING, HOLDING (FOR COOLER UNIT CASE)
88501EVAPORATOR SUB-ASSY, COOLER, NO.1
88510UNIT ASSY, COOLER
88510RGROMMET (FOR COOLER UNIT)
SUCTION
LIQUID PIPE
SUCTION
SUCTION PIPE
88515VALVE, COOLER EXPANSION
88536BRACKET, COOLING UNIT, NO.1
MAKER OPTION
MAKER OPTION
DEALER OPTION
DEALER OPTION
88536ABRACKET, COOLING UNIT, NO.2
88536BBRACKET, COOLING UNIT, NO.3
88539HOSE, COOLER UNIT DRAIN, NO.1
88566DUCT, COOLER AIR, NO.1
88578APACKING, COOLER STABILIZER AMPLIFIER
88605HARNESS SUB-ASSY, COOLER WIRING, NO.1
DEALER OPT
MAKER OPT
DEALER OPT
MAKER OPT
MAKER OPT
MAKER OPT
DEALER OPT
DEALER OPT
88625THERMISTOR, COOLER, NO.1
sub88625-28150
88630RELAY ASSY, COOLER
DEALER OPTION
MAKER OPTION
88630ARELAY ASSY, COOLER
88645GSWITCH, PRESSURE
NO.2
NO.1
88650AMPLIFIER ASSY, COOLER STABILIZER
88688ABRACKET, COOLER STABILIZER AMPLIFIER
8856912030CLAMP (FOR COOLER RELAY)
main88569-12030
9004404009
main90044-04009
9004464009
main90044-64009
9009900930
main90099-00930
9009921010
main90099-21010
9017908123
main90179-08123
9046400052
main90464-00052
9048036010
main90480-36010
9331515012
main93315-15012
9338118016
main93381-18016
9338518016
main93385-18016
9353055016
main93530-55016
31 parts on this diagram · 2 diagrams in section