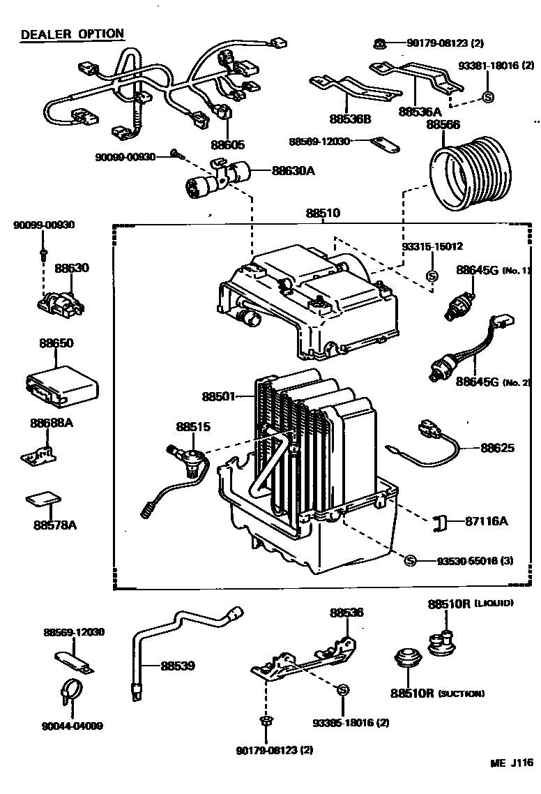
HEATING & AIR CONDITIONING - COOLER UNIT

87116ASPRING, HOLDING (FOR COOLER UNIT CASE)
88501EVAPORATOR SUB-ASSY, COOLER, NO.1
88510UNIT ASSY, COOLER
88510RGROMMET (FOR COOLER UNIT)
LIQUID PIPE,W/BOOST VENTILATOR
LIQUID PIPE
SUCTION PIPE
SUCTION PIPE
88536BRACKET, COOLING UNIT, NO.1
MAKER OPTION
DEALER OPTION
88536ABRACKET, COOLING UNIT, NO.2
88536BBRACKET, COOLING UNIT, NO.3
88539HOSE, COOLER UNIT DRAIN, NO.1
88566DUCT, COOLER AIR, NO.1
88578APACKING, COOLER STABILIZER AMPLIFIER
MAKER OPTION
88605HARNESS SUB-ASSY, COOLER WIRING, NO.1
88625THERMISTOR, COOLER, NO.1
sub88625-28150
88630RELAY ASSY, COOLER
88630ARELAY ASSY, COOLER
88645GSWITCH, PRESSURE
NO.2
88650AMPLIFIER ASSY, COOLER STABILIZER
88688ABRACKET, COOLER STABILIZER AMPLIFIER
8856912030CLAMP (FOR COOLER RELAY)
main88569-12030
9004404009
main90044-04009
9009900930
main90099-00930
9017908123
main90179-08123
9331515012
main93315-15012
9338118016
main93381-18016
9338518016
main93385-18016
9353055016
main93530-55016
26 parts on this diagram · 2 diagrams in section