HEATING & AIR CONDITIONING - HEATER UNIT & BLOWER

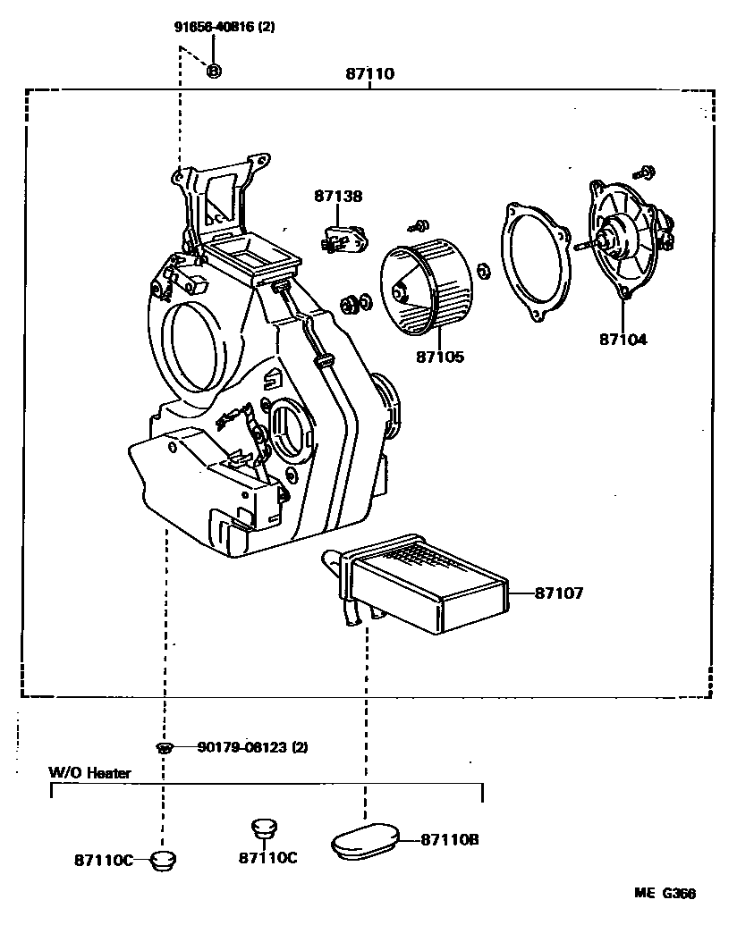
87104MOTOR SUB-ASSY, HEATER BLOWER
87105FAN SUB-ASSY, HEATER BLOWER
W/BOOST VENTILATOR
W/BOOST VENTILATOR
87107UNIT SUB-ASSY, HEATER RADIATOR
W/HEAVY HEATER
87110HEATER ASSY
HEAVY HEATER
87110BPLUG, HOLE (FOR HEATER PIPE HOLE)
87110CPLUG, HOLE (FOR HEATER INSTALLATION HOLE)
87138RESISTOR, HEATER BLOWER
9017908123
main90179-08123
9165640816
main91656-40816
9 parts on this diagram · 3 diagrams in section