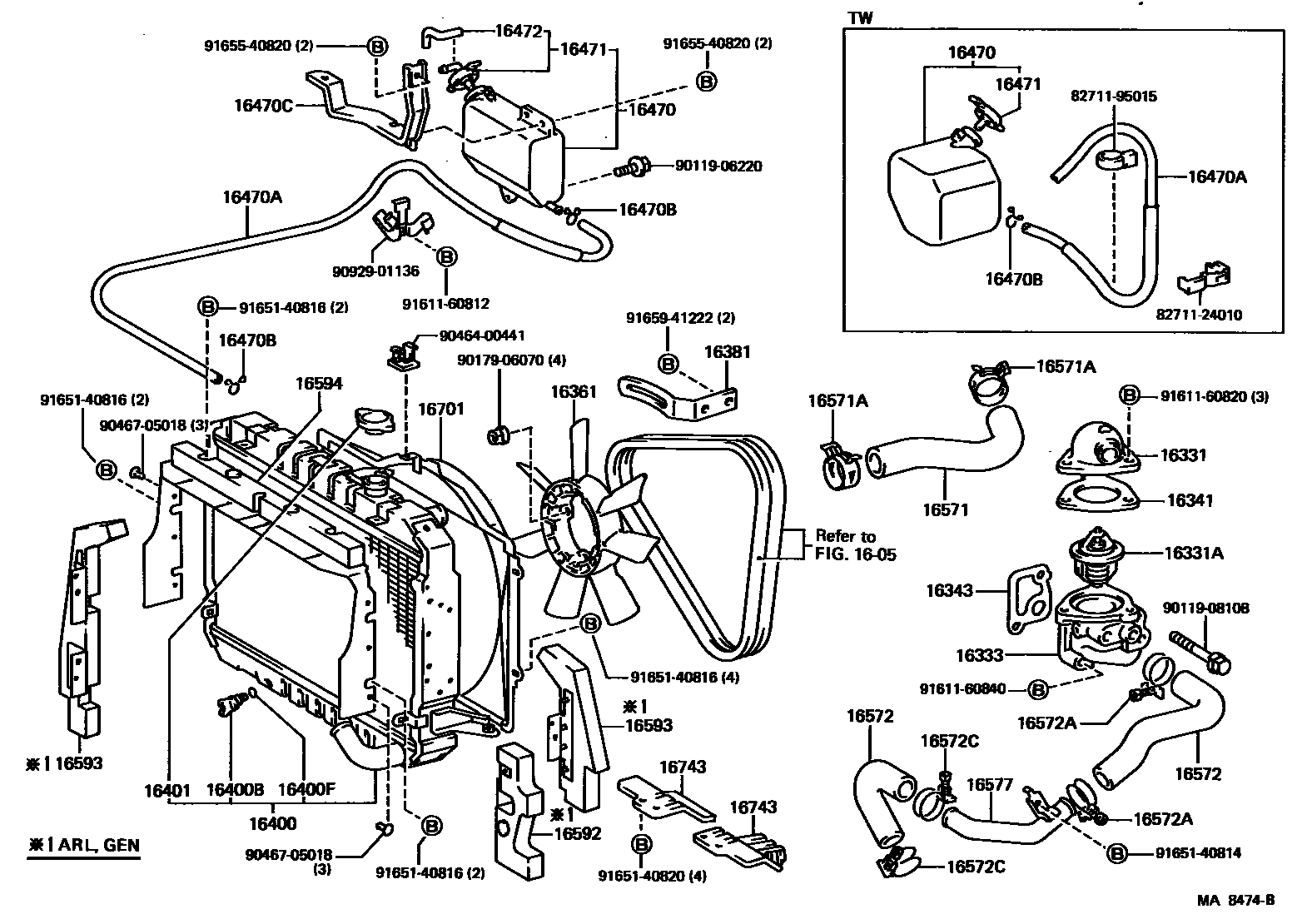
RADIATOR & WATER OUTLET

1605
16331OUTLET, WATER
16331ATHERMOSTAT
16333HOUSING, WATER OUTLET
16341GASKET, WATER OUTLET
16343GASKET, WATER OUTLET HOUSING
16361FAN
16381BAR, FAN BELT ADJUSTING
16400RADIATOR ASSY
TROPICAL AREA
16400BPLUG, RADIATOR DRAIN COCK
16400FPACKING(FOR RADIATOR DRAIN COCK)
16401CAP SUB-ASSY, RADIATOR
16470TANK ASSY, RADIATOR RESERVE
16470AHOSE OR PIPE(FOR RADIATOR RESERVE TANK)
16470BCLAMP OR CLIP(FOR RADIATOR RESERVE TANK HOSE)
16470CBRACKET(FOR RADIATOR RESERVE TANK)
16472HOSE, BREATHER
16571HOSE, RADIATOR, INLET
16571ACLAMP OR CLIP, HOSE(FOR RADIATOR INLET)
16572HOSE, RADIATOR, OUTLET
ENGINE SIDE
RADIATOR SIDE
16572ACLAMP OR CLIP, HOSE(FOR RADIATOR OUTLET NO.1)
16572CCLAMP OR CLIP, HOSE(FOR RADIATOR OUTLET NO.2)
RADIATOR SIDE
ENGINE SIDE
16577PIPE, RADIATOR, NO.7
16592GUIDE, RADIATOR AIR, NO.3
16593GUIDE, RADIATOR AIR, NO.1
RH
RH,W/HEATER
LH
16594GUIDE, RADIATOR AIR, NO.2
16701SHROUD SUB-ASSY, FAN
16743PROTECTOR, FAN SHROUD
RH
LH
8271124010WIRE, FUSE TO FUSE(FOR COMBUSTION HEATER)
8271195015WIRE, FUSE TO FUSE(FOR COMBUSTION HEATER)
9011906220
9011908108
9017906070
9046400441
9046705018
9092901136
9161160812
9161160820
9161160840
9165140814
9165140816
9165140820
9165540820
9165941222
45 parts on this diagram · 2 diagrams in section