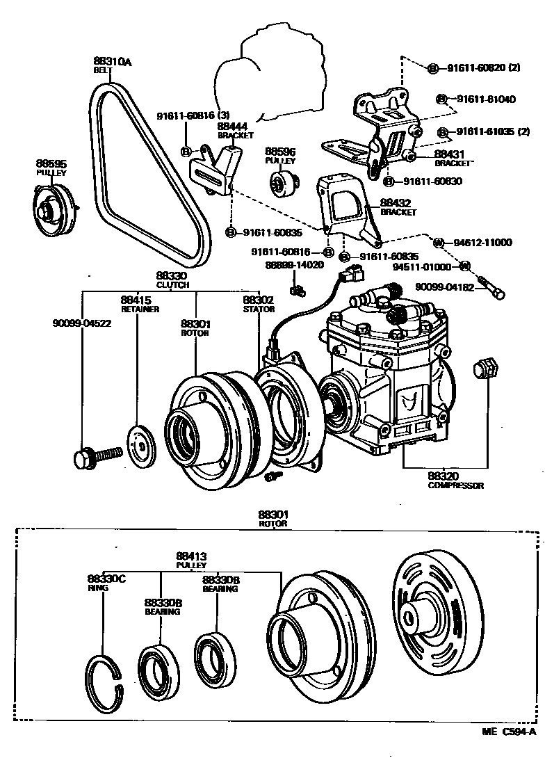
HEATING & AIR CONDITIONING - COMPRESSOR

88302STATOR SUB-ASSY, MAGNET CLUTCH
88310ABELT, V (COOLER COMPRESSOR TO CRANKSHAFT PULLEY), NO.1
88320COMPRESSOR ASSY, COOLER
88330BBEARING, MAGNET CLUTCH
88330CRING, SNAP (FOR MAGNET CLUTCH)
88413PULLEY SUB-ASSY, MAGNET CLUTCH
88415RETAINER, MAGNET CLUTCH BEARING, NO.1
88431BRACKET, COMPRESSOR MOUNTING, NO.1
88432BRACKET, COMPRESSOR MOUNTING, NO.2
88444BRACKET, IDLE PULLEY
88595PULLEY, COOLER COMPRESSOR IDLE
88596PULLEY ASSY, IDLE, NO.2
8889914020COVER, EVAPORATOR
main88899-14020
9009904182
main90099-04182
9009904522
main90099-04522
9161160816
main91611-60816
9161160820
main91611-60820
9161160830
main91611-60830
9161160835
main91611-60835
9161161035
main91611-61035
9161161040
main91611-61040
9451101000
main94511-01000
9461211000
main94612-11000
25 parts on this diagram · 4 diagrams in section