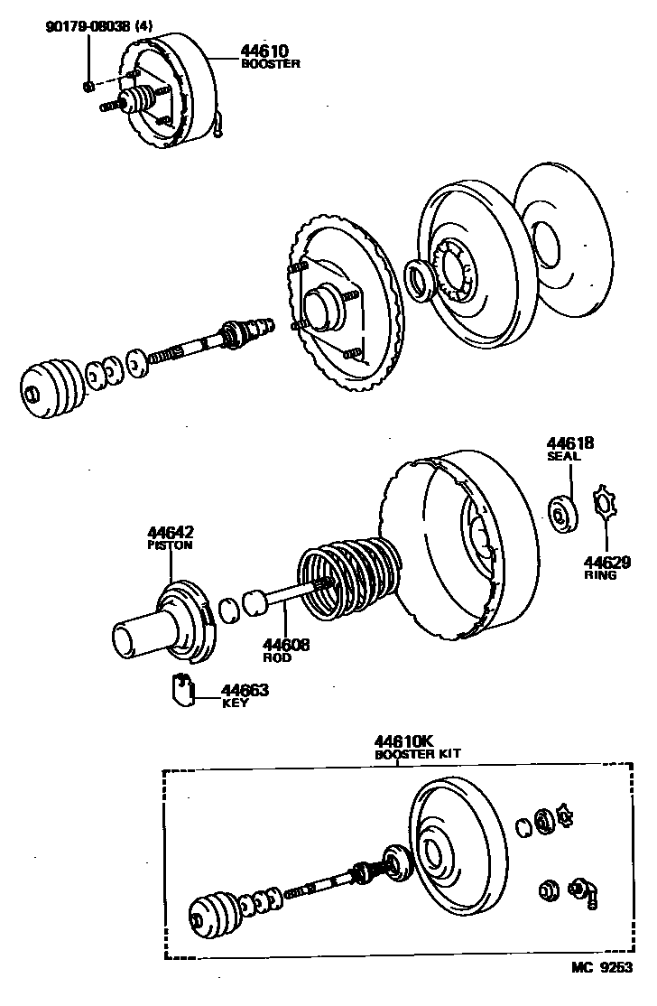
BRAKE BOOSTER & VACUUM TUBE

44608PUSH ROD SUB-ASSY, BOOSTER
44610BOOSTER ASSY, BRAKE
8IN BOOSTER
44610KBOOSTER KIT, BRAKE
9IN BOOSTER
9IN BOOSTER
8IN BOOSTER
8IN BOOSTER
44618SEAL, BOOSTER BODY
44629RING, CIRCULAR INTERNAL
44642PISTON, BRAKE BOOSTER
8IN BOOSTER
9IN BOOSTER
44663KEY, VALVE STOPPER
9017908038
8 parts on this diagram · 3 diagrams in section