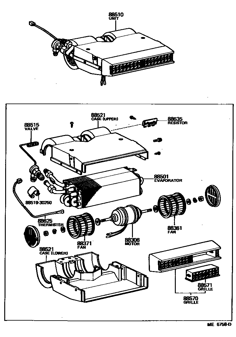
HEATING & AIR CONDITIONING - COOLER UNIT

88361FAN, COOLER BLOWER, NO.1
RR
FR
88371FAN, COOLER BLOWER, NO.2
FR
88501EVAPORATOR SUB-ASSY, COOLER, NO.1
FR
FR
RR
RR
88510UNIT ASSY, COOLER
FR
RH
LH
RR
RR
88521CASE, COOLER UNIT
LWR
UPR
88570GRILLE SUB-ASSY, COOLER AIR OUTLET
FR
RR
88571GRILLE, AIR OUTLET
8851930250HOLDER, REMOTE BULB
main88519-30250
12 parts on this diagram · 11 diagrams in section