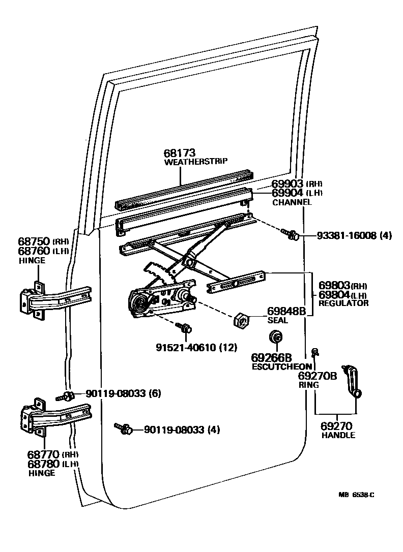
REAR DOOR WINDOW REGULATOR & HINGE

68750HINGE ASSY, REAR DOOR, UPPER RH
sub68750-95400
68760HINGE ASSY, REAR DOOR, UPPER LH
sub68750-95400
69266BESCUTCHEON, DOOR REGULATOR HANDLE(FOR REAR DOOR)
69270HANDLE ASSY, REAR DOOR WINDOW REGULATOR
69270BRING, SHAFT SNAP(FOR REAR DOOR WINDOW REGULATOR HANDLE)
sub90520-01274
69803REGULATOR SUB-ASSY, REAR DOOR WINDOW, RH
69804REGULATOR SUB-ASSY, REAR DOOR WINDOW, LH
69848BSEAL, WINDOW REGULATOR HOLE(FOR REAR DOOR)
69903CHANNEL SUB-ASSY, REAR DOOR GLASS, RH
69904CHANNEL SUB-ASSY, REAR DOOR GLASS, LH
9011908033
main90119-08033
9152140610
main91521-40610
9338116008
main93381-16008
16 parts on this diagram · 1 diagram in section