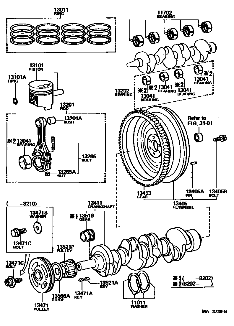
CRANKSHAFT & PISTON

11011WASHER SET, CRANKSHAFT THRUST
STD
O/S 0.125
O/S 0.250
O/S 0.500
11702BEARING SET, CRANKSHAFT
STD
STD
STD
U/S 0.05
U/S 0.05
U/S 0.25
U/S 0.25
U/S 0.25
U/S 0.50
U/S 0.50
U/S 0.50
13011RING SET, PISTON
STD
STD
STD
O/S 0.50
O/S 0.50
O/S 0.50
O/S 0.75
O/S 1.00
O/S 1.00
O/S 1.00
13041BEARING, CONNECTING ROD
13101PISTON SUB-ASSY, W/PIN
STD
STD
STD
STD
O/S 0.50
O/S 0.50
O/S 0.50
O/S 0.50
O/S 0.50
O/S 0.75
O/S 0.75
O/S 1.00
O/S 1.00
O/S 1.00
13101ARING, HOLE SNAP(FOR PISTON PIN)
13201ABUSH(FOR CONNECTING ROD SMALL END)
13202BEARING SET, CONNECTING ROD
STD
STD
U/S 0.05
U/S 0.05
U/S 0.25
U/S 0.25
U/S 0.50
U/S 0.50
13265BOLT, CONNECTING ROD
13405FLYWHEEL SUB-ASSY
N=115
13405APIN, STRAIGHT(FOR FLYWHEEL)
L=23,OD=8,L=23,OD=8
13453GEAR, FLYWHEEL RING
N=115
N=125
N=101
13519GEAR, OIL PUMP DRIVE
13521GEAR OR SPROCKET, CRANKSHAFT TIMING
N=25
N=18
13521PPULLEY, CRANKSHAFT TIMING
N=21
13566AGUIDE, TIMING BELT
sub13566-54040
3101
26 parts on this diagram · 3 diagrams in section