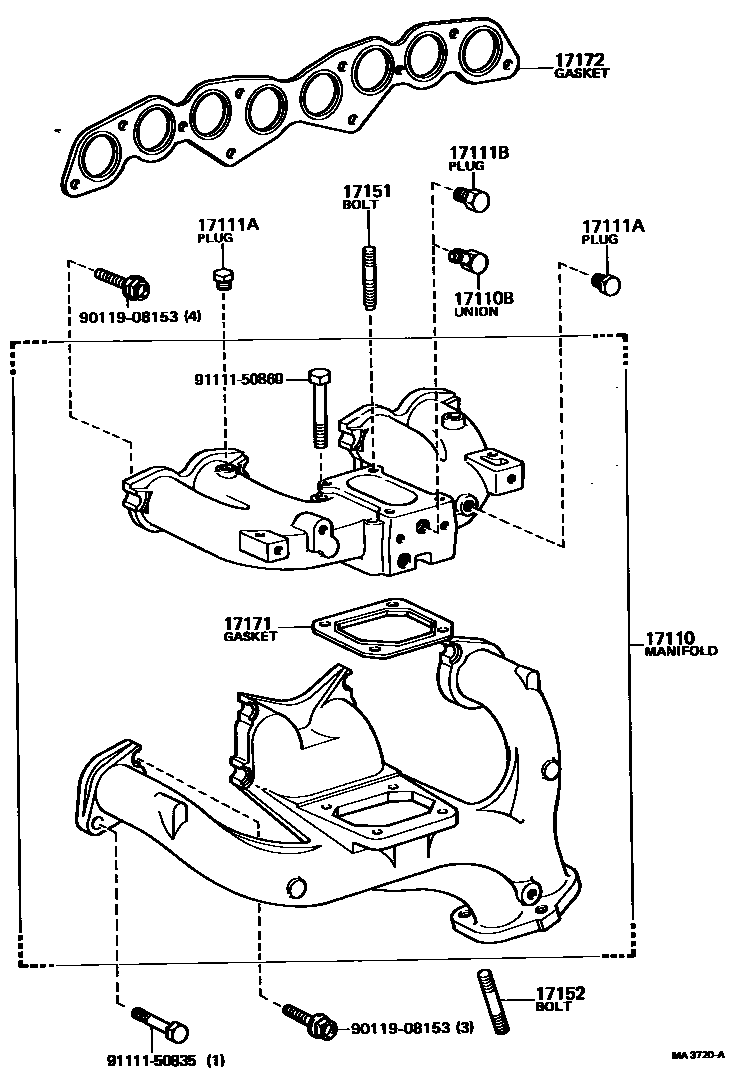
MANIFOLD

17110BUNION(FOR VENTILATION HOSE TO MANIFOLD)
17111MANIFOLD, INTAKE
17111APLUG, NO.1
17111BPLUG, NO.2
W/O PCV
17151BOLT, STUD(FOR MANIFOLD TO CARBURETOR)
L=52,S=11&23
17152BOLT, STUD(FOR MANIFOLD TO EXHAUST PIPE)
L=37,S=20&14
L=37,S=20&13
17171GASKET, INTAKE TO EXHAUST MANIFOLD
sub17171-44011
9011908153
main90119-08153
9111150835
main91111-50835
9111150860
main91111-50860
12 parts on this diagram · 2 diagrams in section