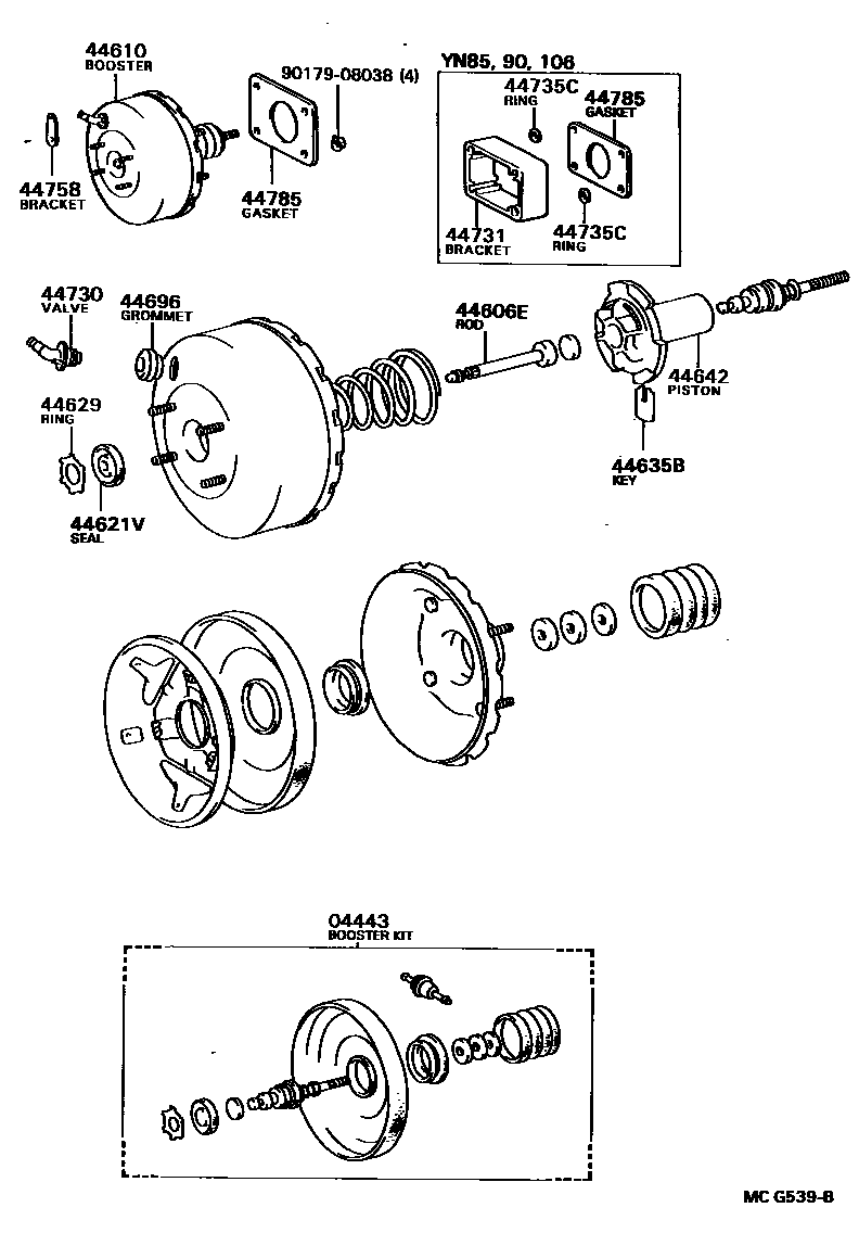
BRAKE BOOSTER & VACUUM TUBE

04443BOOSTER KIT, BRAKE
44606EROD SUB-ASSY, BRAKE BOOSTER PISTON
44621VSEAL, BOOSTER BODY
44629RING, CIRCULAR INTERNAL
44635BKEY, VALVE STOPPER
44642PISTON, BRAKE BOOSTER
44696GROMMET, CHECK VALVE
44730VALVE ASSY, VACUUM CHECK(FOR BRAKE)
44731BRACKET, BRAKE BOOSTER, FRONT
44735CRING, BOOSTER BRACKET STOPPER
44758BRACKET, VACUUM CHECK VALVE
44785GASKET, BRAKE BOOSTER
9017908038
main90179-08038
14 parts on this diagram · 3 diagrams in section