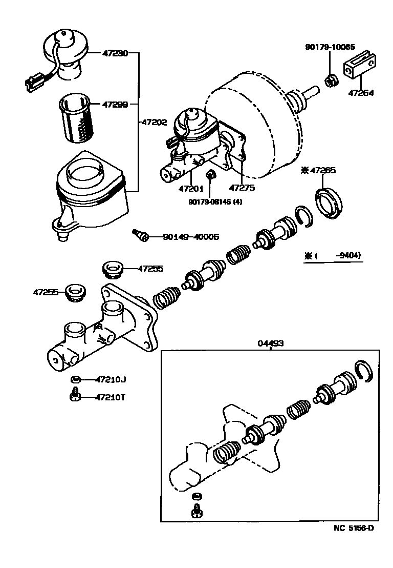
BRAKE MASTER CYLINDER

47201CYLINDER SUB-ASSY, BRAKE MASTER
sub47201-35640
VW BRAND
VW BRAND
sub47201-3D141
VW BRAND
sub47201-3D211
VW BRAND
47210JGASKET(FOR MASTER CYLINDER)
47210TBOLT(FOR BRAKE MASTER CYLINDER)
47255GROMMET, MASTER CYLINDER RESERVOIR
47264CLEVIS, MASTER CYLINDER PUSH ROD
47265BOOT, MASTER CYLINDER
47275GASKET, BRAKE MASTER CYLINDER
47299STRAINER, BRAKE MASTER CYLINDER RESERVOIR
9014940006
main90149-40006
9017908146
main90179-08146
9017910065
main90179-10065
14 parts on this diagram · 2 diagrams in section