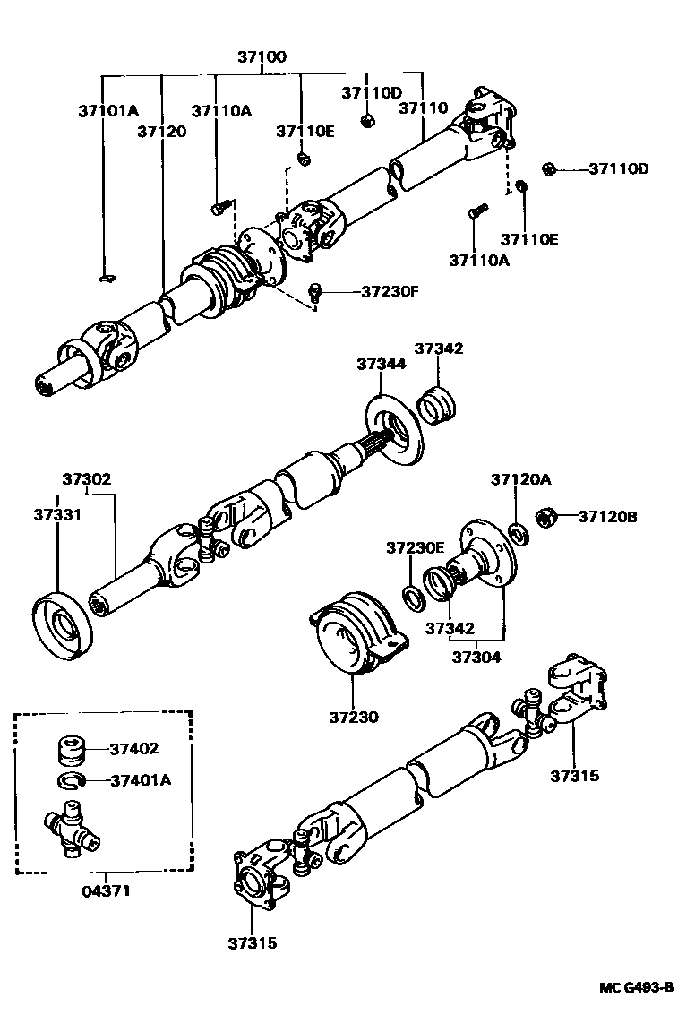
PROPELLER SHAFT & UNIVERSAL JOINT

04371SPIDER KIT, UNIVERSAL JOINT(FOR PROPELLER SHAFT)
37100SHAFT ASSY, PROPELLER W/CENTER BEARING
37101APIECE, BALANCE, NO.1 (FOR PROPELLER SHAFT)
10G,L=20.7
20G,L=41.4
2G,T=2.0
4G,T=2.0
6G,L=12.4
8G,L=16.6
12G,L=24.9
14G,L=29.0
16G,L=33.2
18G,L=37.3
22G,L=45.6
24G,L=49.7
26G,L=53.9
28G,L=58.1
30G,T=4.5,L=27.4
37110SHAFT ASSY, PROPELLER
37110ABOLT (FOR PROPELLER SHAFT)
*10-1.00PX27-13
37110DNUT (FOR PROPELLER SHAFT)
37110EWASHER (FOR PROPELLER SHAFT)
sub90560-10H00
37120SHAFT ASSY, PROPELLER INTERMEDIATE
37120AWASHER, PLATE (FOR PROPELLER INTERMEDIATE SHAFT SET)
OD=33.5,T=4.0
37120BNUT (FOR PROPELLER INTERMEDIATE SHAFT SETTING)
37230BEARING ASSY, CENTER SUPPORT, NO.1
37230EWASHER, NO.1 (FOR CENTER SUPPORT BEARING)
37230FBOLT, NO.1 (FOR CENTER SUPPORT BEARING)
37302YOKE SUB-ASSY, UNIVERSAL JOINT SLEEVE
37304FLANGE SUB-ASSY, UNIVERSAL JOINT
37315YOKE, UNIVERSAL JOINT FLANGE
37331COVER, SLIDING SHAFT DUST
37342DEFLECTOR, PROPELLER SHAFT DUST, NO.2
37344DEFLECTOR, PROPELLER SHAFT DUST, NO.3
37401ARING, HOLE SNAP (FOR SPIDER BEARING)
T=2.375-2.425
T=2.425-2.475
T=2.475-2.525
37402BEARING SUB-ASSY, UNIVERSAL JOINT SPIDER
RED PAINTED
21 parts on this diagram · 1 diagram in section