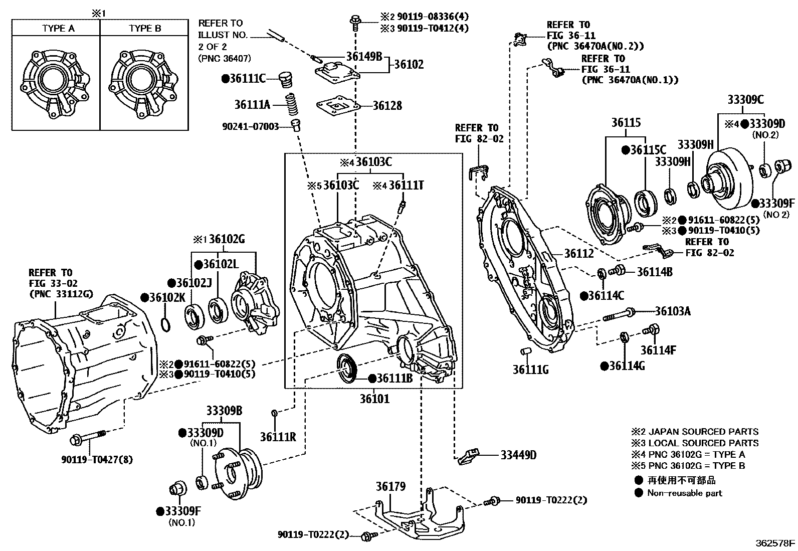
TRANSFER CASE & EXTENSION HOUSING

3302
33309BFLANGE SUB-ASSY, OUTPUT SHAFT COMPANION
PNC 36102G=TYPE B
PNC 36102G=TYPE A
33309CFLANGE SUB-ASSY, OUTPUT SHAFT COMPANION
PNC 36102G=TYPE B
PNC 36102G=TYPE A
PNC 36102G=TYPE B
PNC 36102G=TYPE A
33309DSEAL, OIL(FOR TRANSFER OUTPUT SHAFT COMPANION FLANGE)
PNC36102G=T/P A,NO.1
PNC36102G=T/P A,NO.2
PNC36102G=T/P B,NO.1
33309FNUT (FOR TRANSFER OUTPUT SHAFT COMPANION FLANGE)
PNC36102G=T/P B,NO.1,PNC36102G=T/P A,NO.1
PNC36102G=T/P B,NO.2,PNC36102G=T/P A,NO.2
33309HWASHER, TRANSFER OUTPUT SHAFT
T=0.8,PNC 36102G=TYPE A,PNC 36102G=TYPE B
33449DMAGNET (FOR TRANSFER CASE)
PNC 36102G=TYPE A,PNC 36102G=TYPE B
36101CASE SUB-ASSY, TRANSFER
36102COVER SUB-ASSY, TRANSFER CASE
PNC 36102G=TYPE B
PNC 36102G=TYPE A
36102GRETAINER SUB-ASSY, TRANSFER FRONT BEARING
TYPE B:REFER ILLUST.
TYPE B:REFER ILLUST.
TYPE A:REFER ILLUST.
TYPE A:REFER ILLUST.
36102JSEAL, TYPE T OIL (FOR TRANSFER COVER)
PNC 36102G=TYPE A
PNC 36102G=TYPE B
36102KRING, O
PNC 36102G=TYPE B
PNC 36102G=TYPE A
36102LSEAL, TYPE T OIL(FOR TRANSFER FRONT BEARING)
PNC 36102G=TYPE A
PNC 36102G=TYPE B
36103ABOLT (FOR TRANSFER CASE)
*8-1.25PX55-30,PNC 36102G=TYPE A
*8-1.25PX55-30,PNC 36102G=TYPE B
36103CCASE, TRANSFER, FRONT
PNC 36102G=TYPE A
PNC 36102G=TYPE B
3611
36111ASPRING, COMPRESSION (FOR TRANSFER CASE)
PNC 36102G=TYPE A
PNC 36102G=TYPE B
36111BSEAL, OIL (FOR TRANSFER CASE)
PNC 36102G=TYPE A
PNC 36102G=TYPE B
36111CPLUG (FOR TRANSFER CASE)
PNC 36102G=TYPE A
PNC 36102G=TYPE B
36111GPIN, STRAIGHT (FOR TRANSFER CASE)
L=14,OD=10,PNC 36102G=TYPE A
L=14,OD=10,PNC 36102G=TYPE B
36111RPLUG, TIGHT (FOR TRANSFER CASE)
PNC 36102G=TYPE B
36111TTUBE (FOR TRANSFER CASE)
36112CASE, TRANSFER, REAR
PNC 36102G=TYPE B
PNC 36102G=TYPE A
36114BPLUG, NO.1 (FOR TRANSFER CASE)
PNC 36102G=TYPE A,PNC 36102G=TYPE B
36114CGASKET, NO.1 (FOR TRANSFER CASE)
PNC 36102G=TYPE A
PNC 36102G=TYPE B
36114FPLUG (FOR TRANSFER DRAIN)
PNC 36102G=TYPE A,PNC 36102G=TYPE B
36114GGASKET (FOR TRANSFER DRAIN PLUG)
PNC 36102G=TYPE A
PNC 36102G=TYPE B
36115HOUSING, TRANSFER EXTENSION
PNC 36102G=TYPE B
PNC 36102G=TYPE A
36115CSEAL, TYPE T OIL (FOR TRANSFER EXTENSION HOUSING)
PNC 36102G=TYPE A
PNC 36102G=TYPE B
36128DEFLECTOR, BREATHER OIL
PNC 36102G=TYPE B
PNC 36102G=TYPE A
36149BTUBE, TRANSFER BREATHER
PNC 36102G=TYPE B
36179PROTECTOR, TRANSFER CASE LOWER
8202
9011908336
main90119-08336
90119T0222
main90119-T0222
90119T0410
main90119-T0410
90119T0412
main90119-T0412
90119T0427
main90119-T0427
9024107003
main90241-07003
9161160822
main91611-60822
40 parts on this diagram · 3 diagrams in section