E
EPC Data

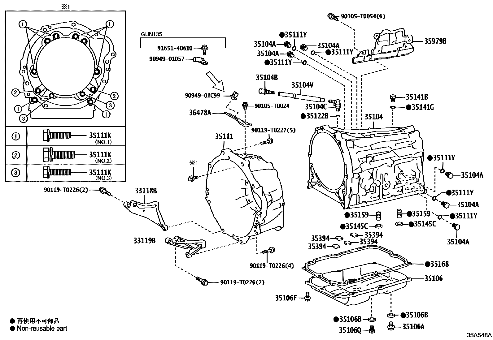
TRANSMISSION CASE & OIL PAN (ATM)

Parts diagram
33118BPLATE, STIFFENER, RH(ATM)
main33118-0K030i202006-202108
main33118-0K040i202009-202109
33119BPLATE, STIFFENER, LH(ATM)
main33119-0K020i202006-202108
main33119-0K040i202105-202109
35104CASE SUB-ASSY, AUTOMATIC TRANSMISSION
main35104-0K010i202006-202108
(L)
main35104-71020i202006-202108
(J)
main35104-71020i202009-202109
35104APLUG, AUTOMATIC TRANSMISSION CASE
main90341-08001i202006-202109
35104BPLUG, BREATHER, NO.1 (ATM)
main90930-03211i202006-202108
(J)
main90930-03211i202009-202109
main90930-T3004i202006-202108
(L)
35104CPLUG, BREATHER, NO.2 (ATM)
main90930-03220i202009-202109
main90930-03220i202006-202108
(J)
main90930-T3006i202006-202108
(L)
35104VHOSE (FOR BREATHER PLUG)
main90447-11080i202006-202109
main90447-11081i202006-202108
35106PAN SUB-ASSY, AUTOMATIC TRANSMISSION OIL
main35106-0K010i202006-202108
(L)
main35106-71050i202006-202108
(J)
main35106-71050i202009-202109
35106APLUG SUB-ASSY, DRAIN (ATM)
main90341-10011i202006-202109
35106BGASKET, DRAIN PLUG (ATM)
main35178-30010i202006-202109
35106FBOLT (FOR AUTOMATIC TRANSMISSION OIL PAN)
main90119-06A02i202006-202109
35106QPLUG (FOR AUTOMATIC TRANSMISSION OIL PAN)
main90341-10021i202006-202109
35111HOUSING, AUTOMATIC TRANSMISSION
main35111-0K010i202006-202108
(L)
main35111-71030i202009-202109
main35111-71030i202006-202108
(J)
35111KBOLT (FOR TRANSMISSION HOUSING & CASE SETTING)
main90119-08C62i202006-202109
*8-1.25PX30-23.5
main90119-10232i202006-202109
*10-1.5PX35-30,NO.1:REFER ILLUST.
main90119-10947i202006-202109
*10-1.50PX35-29.3,NO.3:REFER ILLUST.
main90119-12378i202006-202109
*12-1.75PX38-30,NO.2:REFER ILLUST.
35111YRING, O (FOR AUTOMATIC TRANSMISSION CASE)
main90301-06196i202006-202108
(J)
main90301-06196i202009-202109
main90301-T0067i202006-202108
(L)
35122BRING, O (FOR AUTOMATIC TRANSAXLE BREATHER TUBE UNION)
main90301-08015i202006-202108
(J)
main90301-08015i202009-202109
main90301-T0070i202006-202108
(L)
35141BPLUG (FOR AUTOMATIC TRANSMISSION CASE)
main90341-14011i202006-202109
35141GRING, O (FOR AUTOMATIC TRANSMISSION CASE)
main90301-11030i202006-202108
(J)
main90301-11030i202009-202109
main90301-T0069i202006-202108
(L)
35145CGASKET, TRANSAXLE CASE
main35145-60020i202006-202109
35159GASKET, BRAKE DRUM
main35159-0K010i202006-202108
(L)
main35159-71010i202006-202108
(J)
main35159-71010i202009-202109
35168GASKET, AUTOMATIC TRANSMISSION OIL PAN
main35168-0K010i202006-202108
(L)
main35168-71010i202006-202108
(J)
main35168-71010i202009-202109
35394MAGNET, OIL CLEANER (FOR TRANSMISSION)
main35394-30011i202006-202109
35979BINSULATOR, TRANSMISSION, RH
main35979-0K010i202006-202109
36478ABRACKET, TRANSMISSION BREATHER
main36478-0K060i202006-202109
90105T0024
90105T0054
90119T0226
90119T0227
9094901C99
9094901D57
9165140610

31 parts on this diagram · 1 diagram in section

TRANSMISSION CASE & OIL PAN (ATM) — Toyota Parts Diagram with OEM Numbers & Prices | EPC Data