E
EPC Data

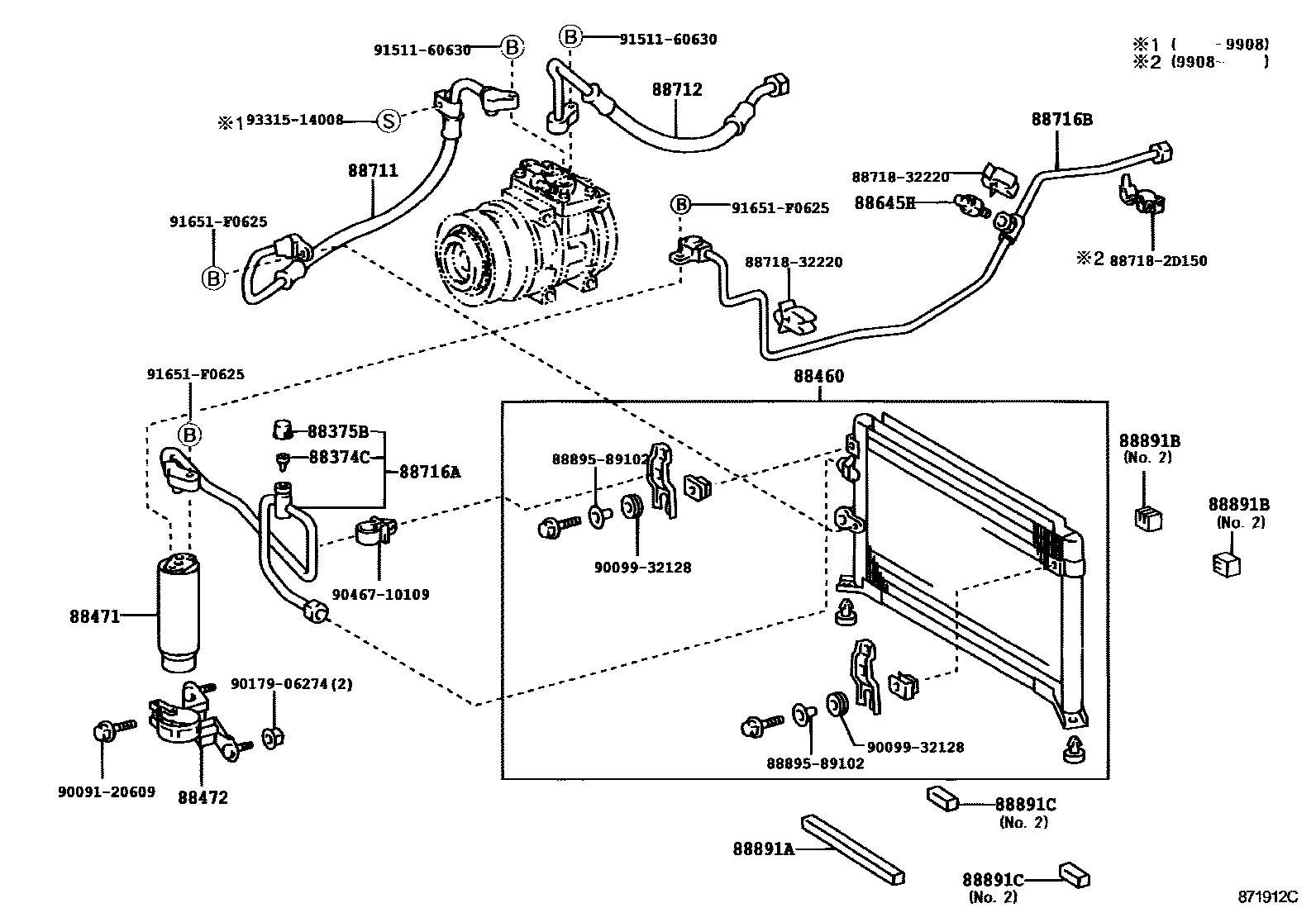
HEATING & AIR CONDITIONING - COOLER PIPING

Parts diagram
88374CVALVE, SERVICE, NO.2
main88374-30010i199708-200108
88375BCAP, SERVICE VALVE, NO.1
main88375-30280i199708-200108
88460CONDENSER ASSY, COOLER
main88460-35200i199708-200108
main88460-35220i199708-200108
DEALER OPTION
main88460-35230i199908-200108
main88460-35270i200108-200508
main88460-35280i200108-200402
main88460-35300i200108-200407
DEALER OPTION
main88460-35340i200402-200508
main88460-35360i200407-200508
DEALER OPTION
88471TANK, RECEIVER AIR CONDITIONER
main88471-34010i199708-200508
88472BRACKET, RECEIVER TANK, NO.1
main88472-35040i199708-200108
main88472-35050i200108-200508
main88472-35060i200108-200508
88645HSWITCH, PRESSURE NO.1
main88645-20050i199908-200108
main88645-34010i199708-200108
88711HOSE, COOLER REFRIGERANT DISCHARGE, NO.1
main88711-35530i199708-200108
main88711-35540i199708-200108
main88711-35560i199908-200108
88712HOSE, COOLER REFRIGERANT SUCTION, NO.1
main88712-35510i199708-200108
main88712-35520i199708-200108
main88712-35590i200108-200508
88716APIPE, COOLER REFRIGERANT LIQUID, A
main88716-35370i199708-200108
main88716-35410i199908-200108
main88716-35590i200108-200508
main88716-35610i200108-200407
DEALER OPTION
main88716-35610i200108-200402
main88716-35690i200407-200508
DEALER OPTION
main88716-35690i200402-200508
88716BPIPE, COOLER REFRIGERANT LIQUID, B
main88716-35450i199908-200108
main88726-35040i199708-199908
main88726-35070i199708-199908
main88726-35130i199908-200108
88891APACKING A (FOR COOLER)
main53381-35030i199708-200108
UPPER
main53381-35040i200108-200309
UPPER
main53381-35041i200309-200508
UPPER
main88578-35130i200108-200508
TYPE B:REFER TO ILLUSTRATION,LOWER
main88578-35130i199708-200108
LOWER
main88578-35130i200108-200508
main88578-89119i200108-200508
TYPE A:REFER TO ILLUSTRATION
main88578-89119i200108-200508
TYPE A:REFER TO ILLUSTRATION,LOWER
main88578-89119i199708-200108
LOWER
88891BPACKING B (FOR COOLER)
main88578-35110i199708-200108
DEALER OPTION,NO.1
main88578-35110i199708-200108
NO.1
main88578-35120i200108-200508
main88578-35120i199708-200108
NO.2
88891CPACKING C (FOR COOLER)
main88578-89103i199708-199908
DEALER OPTION,NO.1
main88578-89111i199708-200108
NO.2
main88578-89111i199908-200508
887182D150PIPE, COOLER REFRIGERANT SUCTION, NO.2
8871832220PIPE, COOLER REFRIGERANT SUCTION, NO.2
8889589102HOLDER, FUSE
9009120609
9009932128
9017906274
9046710109
9151160630
91651F0625
9331514008

23 parts on this diagram · 7 diagrams in section

HEATING & AIR CONDITIONING - COOLER PIPING — Toyota Parts Diagram with OEM Numbers & Prices | EPC Data