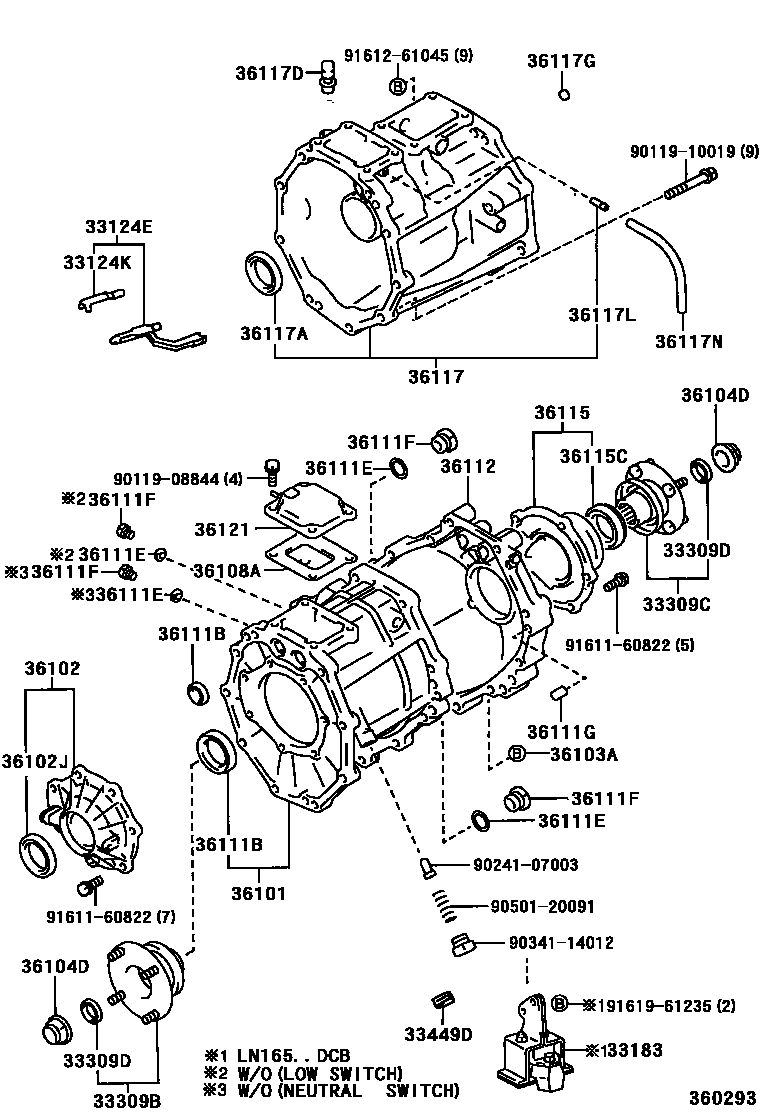
TRANSFER CASE & EXTENSION HOUSING

33124EPIPE, OIL RECEIVER(FOR TRANSFER)
33124KCLAMP OIL RECEIVER(FOR TRANSFER)
33183DAMPER, TRANSFER DYNAMIC
33309BFLANGE SUB-ASSY, OUTPUT SHAFT COMPANION
33309CFLANGE SUB-ASSY, OUTPUT SHAFT COMPANION
33309DSEAL, OIL(FOR TRANSFER OUTPUT SHAFT COMPANION FLANGE)
33449DMAGNET (FOR TRANSFER CASE)
36101CASE SUB-ASSY, TRANSFER
36102JSEAL, TYPE T OIL (FOR TRANSFER COVER)
36103ABOLT (FOR TRANSFER CASE)
*8-1.25PX55-30
36104DNUT (FOR TRANSFER OUTPUT SHAFT)
36111BSEAL, OIL (FOR TRANSFER CASE)
FORK SHAFT SIDE
36111EGASKET (FOR TRANSFER CASE)
W/O(NEUTRAL & LOW SWITCH)
36111FPLUG (FOR TRANSFER CASE)
W/O(NEUTRAL & LOW SWITCH)
36111GPIN, STRAIGHT (FOR TRANSFER CASE)
L=14,OD=10
36112CASE, TRANSFER, REAR
36115CSEAL, TYPE T OIL (FOR TRANSFER EXTENSION HOUSING)
sub90311-41020
36117ADAPTER, TRANSFER
36117ASEAL, OIL(FOR TRANSFER ADAPTER)
36117DPLUG(FOR TRANSFER ADAPTER)
36117GPLUG, W/HEAD STRAIGHT SCREW(FOR TRANSFER ADAPTER)
36117LTUBE(FOR TRANSFER ADAPTER)
sub90406-T0007
36117NHOSE(FOR TRANSFER ADAPTER)
9011908844
main90119-08844
9011910019
main90119-10019
9024107003
main90241-07003
9034114012
main90341-14012
9050120091
main90501-20091
9161160822
main91611-60822
9161261045
main91612-61045
9161961235
main91619-61235
35 parts on this diagram · 2 diagrams in section