E
EPC Data

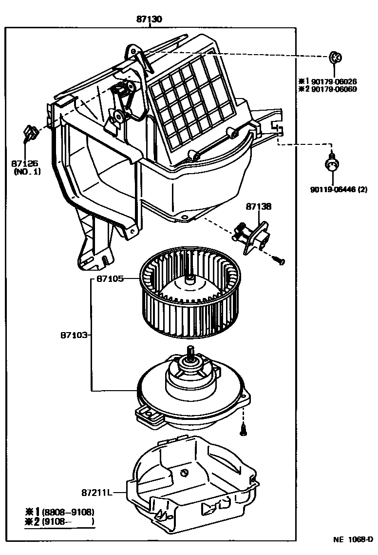
HEATING & AIR CONDITIONING - HEATER UNIT & BLOWER

Parts diagram
87103MOTOR SUB-ASSY, HEATER BLOWER, W/FAN
main87103-04021i199108-199511
NIPPONDENSO USA
main87103-04021i199108-199208
HEAVY HEATER,NIPPONDENSO USA
main87103-04021i199108-199208
STD HEATER,NIPPONDENSO USA
main87103-17020i199108-199208
HEAVY HEATER
main87103-17020i199108-199511
NIPPONDENSO
main87103-17020i199108-199208
STD HEATER,NIPPONDENSO
main87103-17020i199012-199108
main87103-89101i198808-199012
main87103-89105i198904-199511
87105FAN SUB-ASSY, HEATER BLOWER
main87105-32020i198808-198908
main87134-30050i198904-199511
87126CLAMP, HEATER CONTROL
main87126-01010i199308-199401
HEAVY HEATER,NO.1,NIPPONDENSO USA
main87126-01010i199108-199401
NO.1 NIPPONDENSO USA
main87126-01010i199108-199208
NO.1
main87126-01010i199108-199208
HEAVY HEATER,NO.1
main87126-01010i199108-199208
STD HEATER,NO.1 NIPPONDENSO USA
main87126-01010i199308-199511
NO.1,NIPPONDENSO USA
main87126-04010i199108-199208
NO.2
main87126-04010i199108-199208
HEAVY HEATER,NO.2
main87126-04010i199108-199208
STD HEATER,NO.2 NIPPONDENSO USA
main87126-04010i199108-199401
NO.2 NIPPONDENSO USA
main87126-04010i199308-199511
NO.2,NIPPONDENSO USA
main87126-04010i199308-199401
HEAVY HEATER,NO.2,NIPPONDENSO USA
main87126-12050i198808-199511
NO.1
main87126-12050i199108-199208
HEAVY HEATER,NO.1
main87126-12050i199108-199208
STD HEATER,NO.1 NIPPONDENSO
main87126-12050i199401-199501
W(MAKER OPTION AIR CONDITIONER),NO.1,NIPPONDENSO
main87126-12050i199308-199511
NO.2,NIPPONDENSO
main87126-12050i199108-199208
NO.1 NIPPONDENSO
main87126-12050i199208-199401
NO.2 NIPPONDENSO
main87126-12050i199208-199401
W(MAKER OPTION AIR CONDITIONER),NO.1 NIPPONDENSO
main87126-12050i199308-199401
HEAVY HEATER,NO.2,NIPPONDENSO
main87126-12050i199308-199401
HEAVY HEATER & W(MAKER OPTION),NO.1,NIPPONDENSO
main87126-89101i199308-199401
HEAVY HEATER,NO.1,NIPPONDENSO
main87126-89101i199108-199208
NO.2 NIPPONDENSO
main87126-89101i198808-199511
NO.2
main87126-89101i199108-199208
HEAVY HEATER,NO.2
main87126-89101i199108-199208
STD HEATER,NO.2 NIPPONDENSO
main87126-89101i199208-199401
NO.1 NIPPONDENSO
main87126-89101i199208-199401
W(MAKER OPTION AIR CONDITIONER),NO.2 NIPPONDENSO
main87126-89101i199308-199511
NO.1,NIPPONDENSO
main87126-89101i199308-199401
HEAVY HEATER & W(MAKER OPTION),NO.2,NIPPONDENSO
main87126-89101i199401-199501
W(MAKER OPTION AIR CONDITIONER),NO.2,NIPPONDENSO
87130BLOWER ASSY, HEATER, FRONT
main87130-04021i199108-199208
HEAVY HEATER,NIPPONDENSO USA
main87130-04021i199108-199511
NIPPONDENSO USA
main87130-04021i199108-199208
STD HEATER,NIPPONDENSO USA
main87130-35020i199108-199511
NIPPONDENSO
main87130-35020i199108-199208
HEAVY HEATER
main87130-35020i199108-199208
STD HEATER,NIPPONDENSO
main87130-89115i198808-199108
main87130-89117i198904-199511
87138RESISTOR, HEATER BLOWER
main87138-04011i199108-199511
NIPPONDENSO USA
main87138-04011i199108-199208
HEAVY HEATER,GENCHO
main87138-04011i199108-199208
STD HEATER,NIPPONDENSO USA
main87138-35010i198904-199511
main87138-35030i199108-199208
HEAVY HEATER
main87138-35030i199108-199208
STD HEATER,NIPPONDENSO
main87138-35030i199108-199511
NIPPONDENSO
main87138-89105i198808-199108
87211LDUCT, AIR
main87211-89119i198904-199511
9011906446
9017906026
9017906069

9 parts on this diagram · 3 diagrams in section

HEATING & AIR CONDITIONING - HEATER UNIT & BLOWER — Toyota Parts Diagram with OEM Numbers & Prices | EPC Data