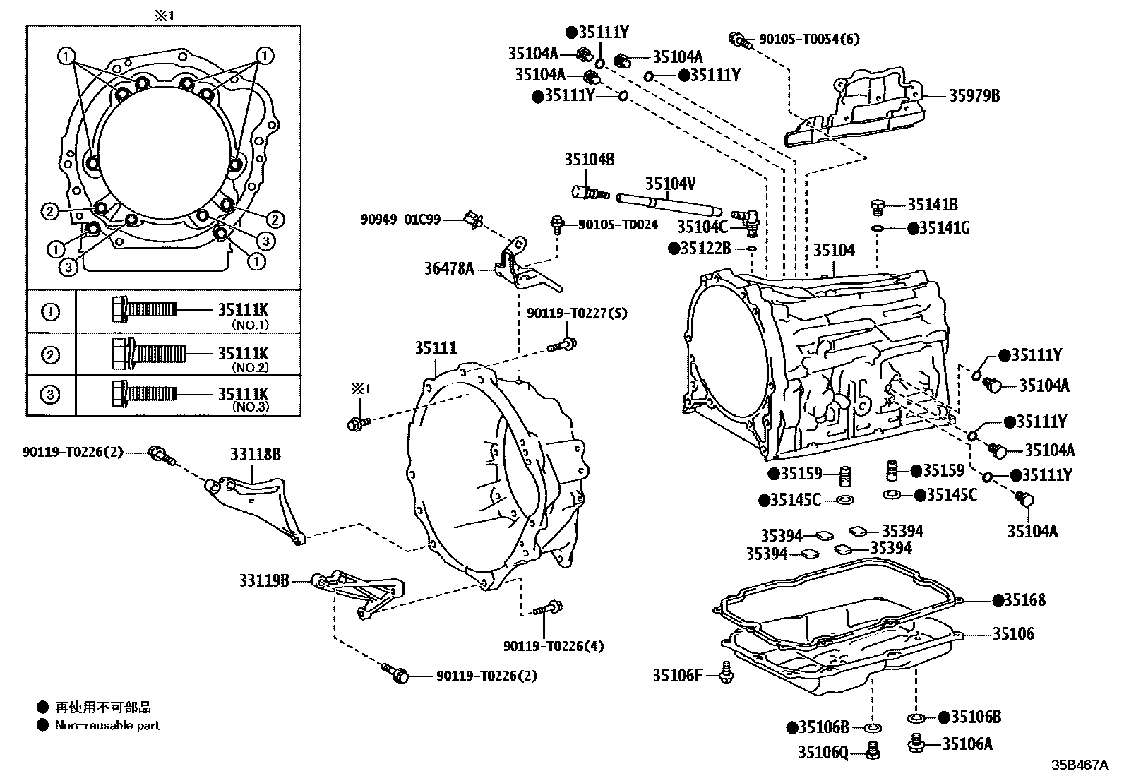
TRANSMISSION CASE & OIL PAN (ATM)

33118BPLATE, STIFFENER, RH(ATM)
33119BPLATE, STIFFENER, LH(ATM)
35104CASE SUB-ASSY, AUTOMATIC TRANSMISSION
TYPE B:REFER 35-01
TYPE A:REFER 35-01
35104APLUG, AUTOMATIC TRANSMISSION CASE
TYPE A:REFER 35-01
TYPE B:REFER 35-01
35104BPLUG, BREATHER, NO.1 (ATM)
TYPE A:REFER 35-01
(J),TYPE B:REF.35-01
(L),TYPE B:REF.35-01
35104CPLUG, BREATHER, NO.2 (ATM)
TYPE A:REFER 35-01
(J),TYPE B:REF.35-01
(L),TYPE B:REF.35-01
35104VHOSE (FOR BREATHER PLUG)
TYPE B:REFER 35-01
TYPE B:REFER 35-01,TYPE A:REFER 35-01
35106PAN SUB-ASSY, AUTOMATIC TRANSMISSION OIL
TYPE B:REFER 35-01
TYPE A:REFER 35-01
35106APLUG SUB-ASSY, DRAIN (ATM)
TYPE A:REFER 35-01
TYPE B:REFER 35-01
35106BGASKET, DRAIN PLUG (ATM)
TYPE A:REFER 35-01
TYPE B:REFER 35-01
35106FBOLT (FOR AUTOMATIC TRANSMISSION OIL PAN)
TYPE A:REFER 35-01
TYPE B:REFER 35-01
35106QPLUG (FOR AUTOMATIC TRANSMISSION OIL PAN)
TYPE A:REFER 35-01
TYPE B:REFER 35-01
35111HOUSING, AUTOMATIC TRANSMISSION
TYPE B:REFER 35-01
TYPE B:REFER 35-01
TYPE A:REFER 35-01
35111KBOLT (FOR TRANSMISSION HOUSING & CASE SETTING)
*10-1.5PX35-30,T/P A:REF.35-01,NO.1
*10-1.5PX35-30,T/P B:REF.35-01,NO.1
*10-1.50PX35-29.3,T/P A:REF.35-01,NO.3
*10-1.50PX35-29.3,T/P B:REF.35-01,NO.3
*12-1.75PX38-30,T/P A:REF.35-01,NO.2
*12-1.75PX38-30,T/P B:REF.35-01,NO.2
35111YRING, O (FOR AUTOMATIC TRANSMISSION CASE)
TYPE A:REFER 35-01
TYPE B:REFER 35-01
35122BRING, O (FOR AUTOMATIC TRANSAXLE BREATHER TUBE UNION)
TYPE A:REFER 35-01
(L),TYPE B:REF.35-01
35141BPLUG (FOR AUTOMATIC TRANSMISSION CASE)
TYPE A:REFER 35-01
TYPE B:REFER 35-01
35141GRING, O (FOR AUTOMATIC TRANSMISSION CASE)
TYPE A:REFER 35-01
TYPE B:REFER 35-01
35145CGASKET, TRANSAXLE CASE
TYPE A:REFER 35-01
TYPE B:REFER 35-01
35159GASKET, BRAKE DRUM
TYPE B:REFER 35-01
TYPE A:REFER 35-01
35168GASKET, AUTOMATIC TRANSMISSION OIL PAN
(L),TYPE B:REF.35-01
TYPE A:REFER 35-01
(J),TYPE B:REF.35-01
35394MAGNET, OIL CLEANER (FOR TRANSMISSION)
TYPE A:REFER 35-01
TYPE B:REFER 35-01
35979BINSULATOR, TRANSMISSION, RH
36478ABRACKET, TRANSMISSION BREATHER
90105T0024
main90105-T0024
90105T0054
main90105-T0054
90119T0226
main90119-T0226
90119T0227
main90119-T0227
9094901C99
main90949-01C99
29 parts on this diagram · 2 diagrams in section