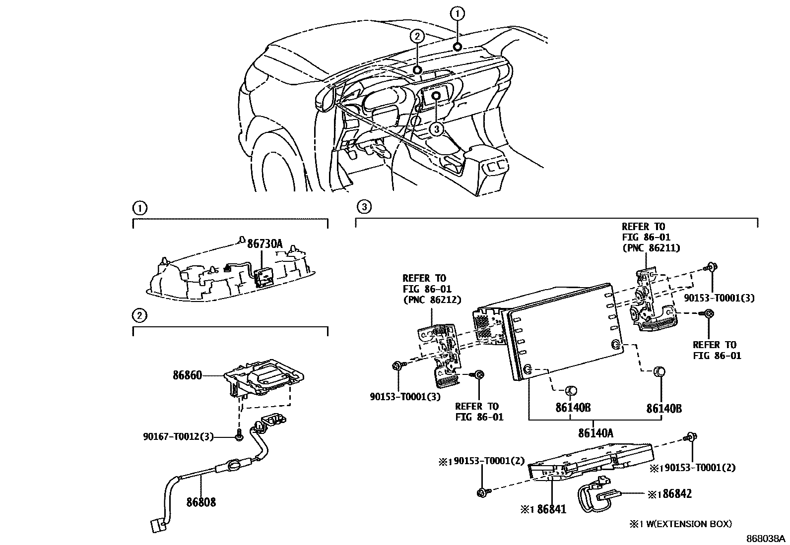
NAVIGATION & FRONT MONITOR DISPLAY

8601
86140ARECEIVER ASSY, RADIO & DISPLAY
86140BKNOB, RADIO & DISPLAY RECEIVER SWITCH
AUDIO-*DA(8INCH) & *BT & DAB
86730AMICROPHONE ASSY, TELEPHONE
86808CORD SUB-ASSY, NAVIGATION ANTENNA, NO.1
AUDIO-*DA(8INCH) & *BT & DAB
86841COMPUTER, NAVIGATION
main86840-K0010
86842WIRE, NAVIGATION, NO.1
main86842-33150
86860ANTENNA ASSY, NAVIGATION
AUDIO-*DA(8INCH) & *BT & DAB
90153T0001
main90153-T0001
90167T0012
main90167-T0012
10 parts on this diagram · 1 diagram in section