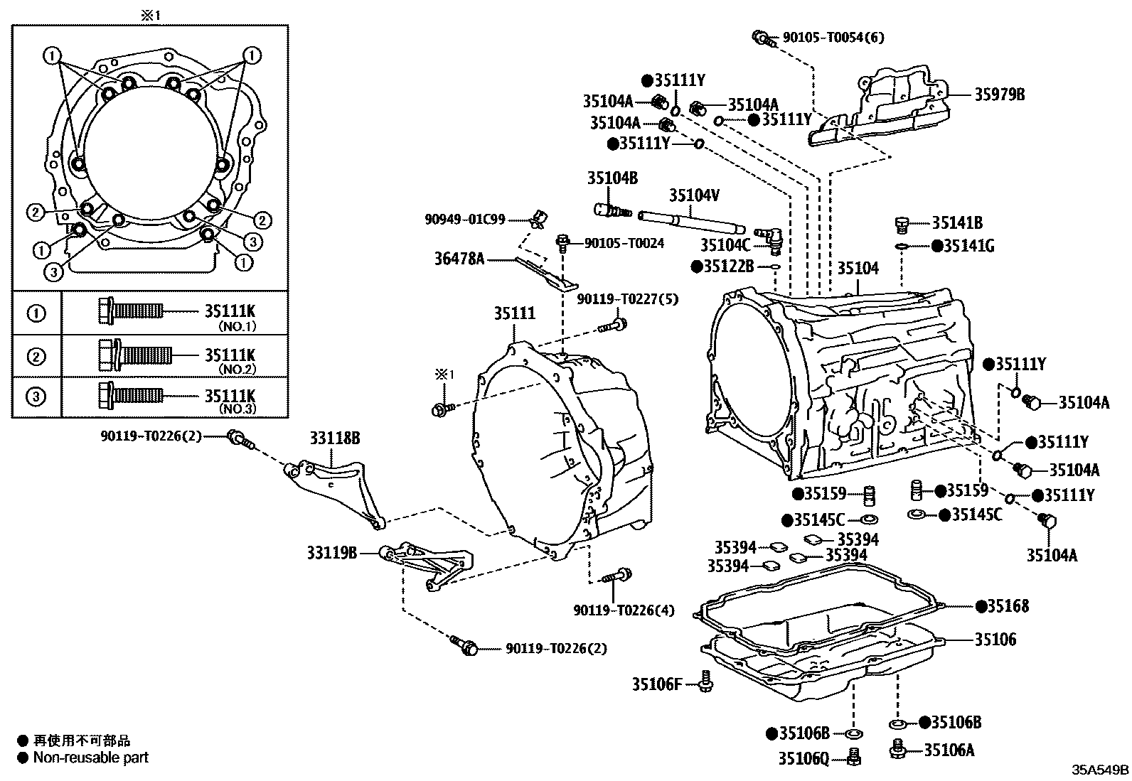
TRANSMISSION CASE & OIL PAN (ATM)

33118BPLATE, STIFFENER, RH(ATM)
33119BPLATE, STIFFENER, LH(ATM)
35104CASE SUB-ASSY, AUTOMATIC TRANSMISSION
(L)
(J)
35104APLUG, AUTOMATIC TRANSMISSION CASE
35104BPLUG, BREATHER, NO.1 (ATM)
(J)
(L)
35104CPLUG, BREATHER, NO.2 (ATM)
(J)
(L)
35104VHOSE (FOR BREATHER PLUG)
35106PAN SUB-ASSY, AUTOMATIC TRANSMISSION OIL
(L)
(J)
35106APLUG SUB-ASSY, DRAIN (ATM)
35106BGASKET, DRAIN PLUG (ATM)
35106FBOLT (FOR AUTOMATIC TRANSMISSION OIL PAN)
35106QPLUG (FOR AUTOMATIC TRANSMISSION OIL PAN)
35111HOUSING, AUTOMATIC TRANSMISSION
(L)
(J)
35111KBOLT (FOR TRANSMISSION HOUSING & CASE SETTING)
*8-1.25PX30-23.5
*10-1.5PX35-30,NO.1:REFER ILLUST.
*10-1.50PX35-29.3,NO.3:REFER ILLUST.
*12-1.75PX38-30,NO.2:REFER ILLUST.
35111YRING, O (FOR AUTOMATIC TRANSMISSION CASE)
(J)
(L)
35122BRING, O (FOR AUTOMATIC TRANSAXLE BREATHER TUBE UNION)
(J)
(L)
35141BPLUG (FOR AUTOMATIC TRANSMISSION CASE)
35141GRING, O (FOR AUTOMATIC TRANSMISSION CASE)
(J)
(L)
35145CGASKET, TRANSAXLE CASE
35168GASKET, AUTOMATIC TRANSMISSION OIL PAN
(L)
(J)
35394MAGNET, OIL CLEANER (FOR TRANSMISSION)
35979BINSULATOR, TRANSMISSION, RH
36478ABRACKET, TRANSMISSION BREATHER
90105T0024
main90105-T0024
90105T0054
main90105-T0054
90119T0226
main90119-T0226
90119T0227
main90119-T0227
9094901C99
main90949-01C99
29 parts on this diagram · 2 diagrams in section