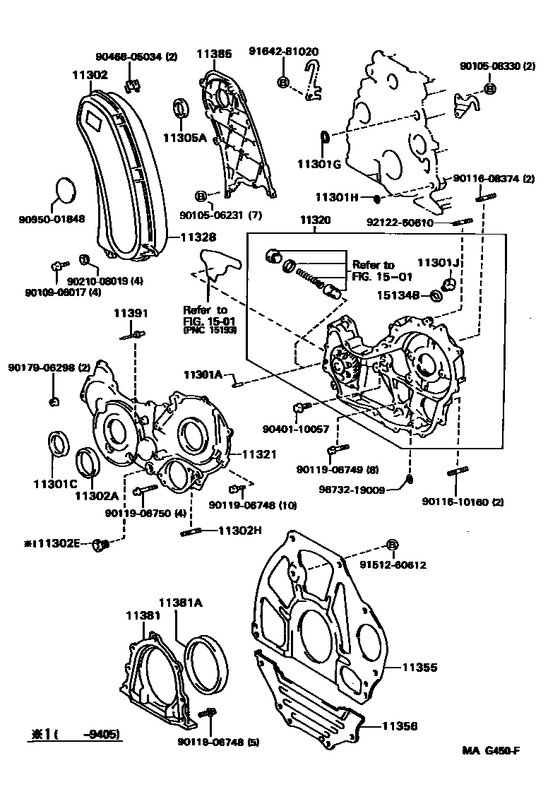
TIMING GEAR COVER & REAR END PLATE

11301APIN, STRAIGHT(FOR TIMING GEAR CASE)
L=14,OD=6
L=18,OD=8
11301GRING, O(FOR TIMING GEAR CASE, UPPER)
11301HRING, O(FOR TIMING GEAR CASE, LOWER)
11301JPLUG, W/HEAD STRAIGHT SCREW(FOR TIMING GEAR CASE)
11302EPLUG, STRAIGHT(FOR TIMING GEAR COVER)
11302HBOLT, STUD(FOR TIMING GEAR COVER)
sub90116-08377
11320CASE ASSY, TIMING GEAR
11328GASKET, TIMING GEAR OR CHAIN COVER
11355PLATE, REAR END
11356PLATE, REAR END, NO.2
11381RETAINER, ENGINE REAR OIL SEAL
11385RETAINER, CAMSHAFT OIL SEAL
11391POINTER, TIMING
1501
15134BGASKET, OIL PUMP RELIEF VALVE
9010506231
main90105-06231
9010508330
main90105-08330
9010906017
main90109-06017
9011608374
main90116-08374
9011610160
main90116-10160
9011906748
main90119-06748
9011906749
main90119-06749
9011906750
main90119-06750
9017906298
main90179-06298
9021008019
main90210-08019
9040110057
main90401-10057
9046805034
main90468-05034
9095001848
main90950-01848
9151260612
main91512-60612
9164281020
main91642-81020
9212260610
main92122-60610
9673219009
main96732-19009
39 parts on this diagram · 6 diagrams in section