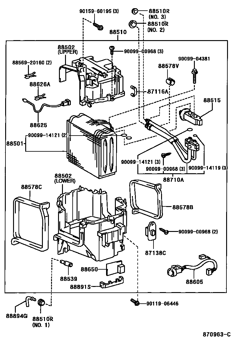
HEATING & AIR CONDITIONING - COOLER UNIT

87116ASPRING, HOLDING (FOR COOLER UNIT CASE)
87138CRESISTOR, BLOWER
88501EVAPORATOR SUB-ASSY, COOLER, NO.1
88502CASE SUB-ASSY, COOLING UNIT
UPPER
LOWER
UPPER
LOWER
88510UNIT ASSY, COOLER
MAKER OPTION
DEALER OPTION
MAKER OPTION
DEALER OPTION
88510RGROMMET (FOR COOLER UNIT)
NO.3
NO.2
NO.1
NO.2
NO.3
88515VALVE, COOLER EXPANSION
sub88515-22240
88539HOSE, COOLER UNIT DRAIN, NO.1
88578BPACKING, COOLING UNIT, NO.1
88578CPACKING, COOLING UNIT, NO.2
88578VPACKING, COOLING UNIT, NO.3
88605HARNESS SUB-ASSY, COOLER WIRING, NO.1
88625THERMISTOR, COOLER, NO.1
88626AHOLDER, THERMISTOR
88650AMPLIFIER ASSY, COOLER STABILIZER
88710ATUBE ASSY, AIR CONDITIONER
88891SCOVER, COOLER, NO.1
88894GCONNECTOR, DRAIN HOSE
8856920160CLAMP (FOR COOLER RELAY)
main88569-20160
9009900968
main90099-00968
9009904381
main90099-04381
9009914119
main90099-14119
9009914121
main90099-14121
9011906446
main90119-06446
9015960195
main90159-60195
25 parts on this diagram · 2 diagrams in section