E
EPC Data

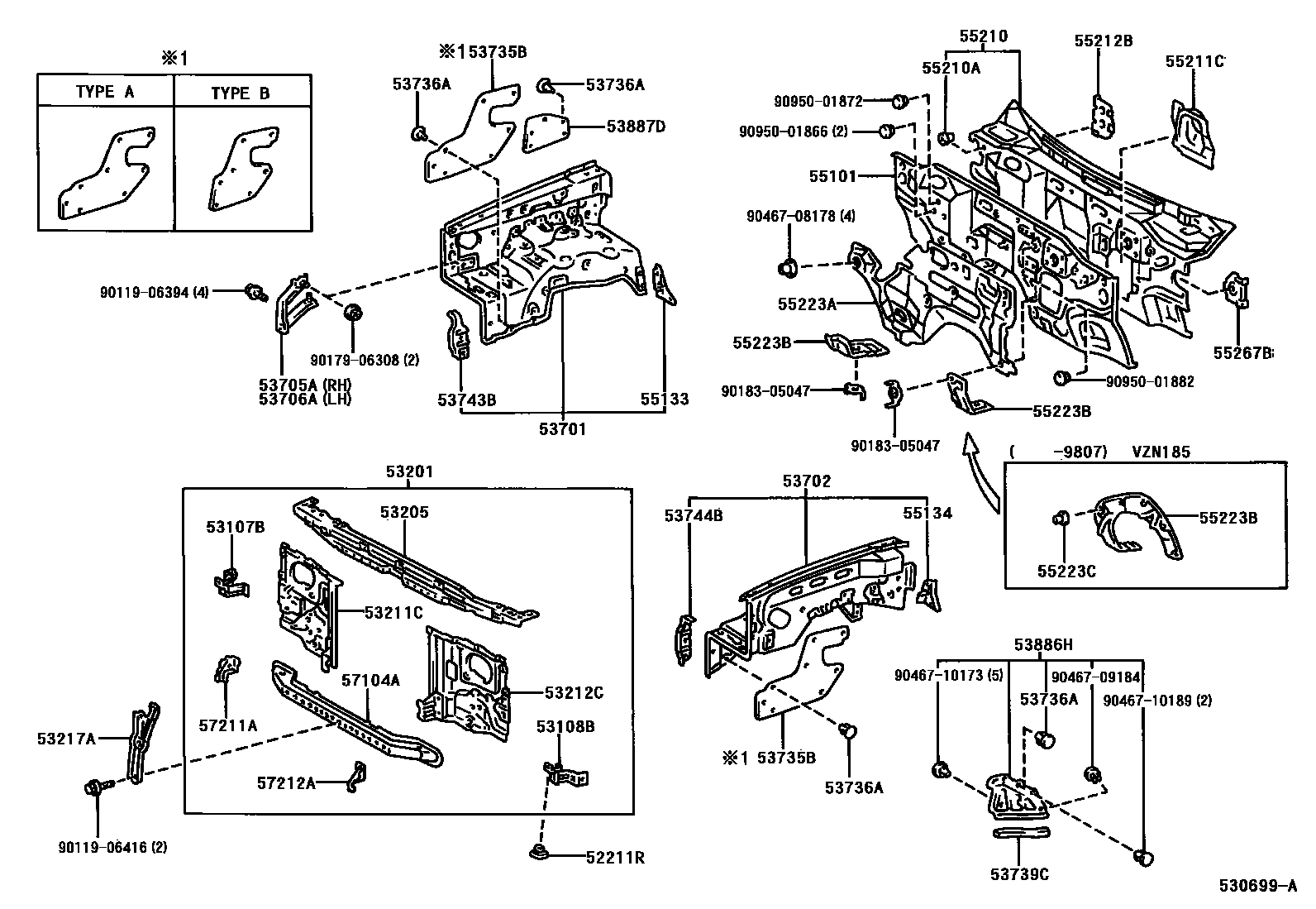
FRONT FENDER APRON & DASH PANEL

Parts diagram
52211RCUSHION, BODY MOUNTING, NO.1
main52211-35010i199511
53107BBRACKET SUB-ASSY, RADIATOR GRILLE, LOWER RH
main53107-35020i199511
53108BBRACKET SUB-ASSY, RADIATOR GRILLE, LOWER LH
main53108-35020i199511
53201SUPPORT SUB-ASSY, RADIATOR
main53201-35100i199511
53205SUPPORT SUB-ASSY, RADIATOR, UPPER
main53205-35010i199511-199708
main53205-35011i199708
53211CSUPPORT, RADIATOR, RH
main53202-35090i199511
53212CSUPPORT, RADIATOR, LH
main53203-35100i199511
53217ABRACE, HOOD LOCK SUPPORT
main53217-35020i199511
53701APRON SUB-ASSY, FRONT FENDER, RH
main53701-35470i199511-199801
W(ABS & CRUISE CONTROL)
main53701-35470i199511-199801
W(ABS)
main53701-35471i199801-199805
W(ABS & CRUISE CONTROL)
main53701-35472i199805-199807
W(CRUISE CONTROL)
main53701-35472i199805-199807
W(ABS & CRUISE CONTROL)
main53701-35490i199511-199801
W(ABS)
main53701-35491i199801-199805
W(ABS)
main53701-35492i199805-199807
W(ABS)
main53701-35520i199511-199801
W(CRUISE CONTROL)
main53701-35521i199801-199805
W(CRUISE CONTROL)
main53701-35522i199805-199807
W(CRUISE CONTROL)
main53701-35540i199511-199801
main53701-35541i199801-199805
main53701-35542i199805-199807
main53701-3D060i199807-200008
main53701-3D080i199807-200008
W(CRUISE CONTROL)
main53701-3D080i200008
main53701-3D090i199807-200008
W(ABS)
main53701-3D100i199807-200008
W(ABS & CRUISE CONTROL)
main53701-3D340i200008
W(CRUISE CONTROL)
53702APRON SUB-ASSY, FRONT FENDER, LH
main53702-35530i199511-199807
TYPE A
main53702-35530i199511-199807
W(*ADD),TYPE A
main53702-35550i199511-199807
TYPE A
main53702-35560i199511-199807
W(*ADD & BATTERY=95D31L),TYPE B
main53702-35570i199511-199807
W(BATTERY=95D31L),TYPE B
main53702-35860i199807-200005
main53702-35861i200005-200008
main53702-3D410i200008
53705ABRACE SUB-ASSY, FENDER APRON, RH
main53705-35030i199511-199807
main53705-35060i199807
53706ABRACE SUB-ASSY, FENDER APRON, LH
main53706-35030i199511-199807
main53706-35060i199807
53735BSEAL, FRONT FENDER APRON, UPPER
main53735-35020i199511
TYPE A:REFER TO ILLUSTRATION
main53735-35030i199511
TYPE B:REFER TO ILLUSTRATION
53736ACLIP(FOR FRONT FENDER APRON SEAL)
main90467-10186i199511-199807
W(FRONT FENDER APRON=TYPE B)
main90467-10186i199807
TYPE B:REFER TO ILLUSTRATION
main90467-10186i199807
TYPE A:REFER TO ILLUSTRATION
53739CSEAL, FRONT FENDER APRON TO FRAME, REAR
main53739-35010i199511-199807
main53739-35011i199807
53743BREINFORCEMENT, FRONT FENDER APRON, FRONT RH
main53743-35010i199511
53744BREINFORCEMENT, FRONT FENDER APRON, FRONT LH
main53744-35010i199511
53886HSHIELD, FRONT FENDER SPLASH, REAR LH
main53886-35010i199511-199604
main53886-60010i199604-199804
main53886-60011i199804-199906
main53886-60012i199906-200004
main53886-60013i200004
53887DSEAL, FRONT FENDER SPLASH SHIELD, NO.1
main53887-35010i199511
55101PANEL SUB-ASSY, DASH
main55101-35914i199511-199807
main55101-35915i199511-199807
main55101-35916i199511-199608
main55101-35917i199511-199807
main55101-35919i199511-199807
W(A.D.D)
main55101-35920i199511-199807
main55101-35922i199511-199807
W(ABS)
main55101-35924i199511-199807
W(ABS)
main55101-35942i199807-200008
W(ABS)
main55101-35943i199807-200008
W(ABS)
main55101-35948i199807-200008
main55101-35954i199807-200008
main55101-35955i200008
main55101-35956i200008
55133PLATE, FRONT FENDER APRON SET, LOWER RH
main55133-35010i199511
55134PLATE, FRONT FENDER APRON SET, LOWER LH
main55134-35010i199511
55210INSULATOR ASSY, DASH PANEL
main55210-35140i199511-199607
main55210-35141i199607-200005
main55210-35142i200005
55210ACLIP
main90467-13035i199511
55211CCOVER, DASH PANEL INSULATOR
main55211-35010i199511-199608
main55211-35011i199608
55212BCOVER, DASH PANEL INSULATOR, NO.2
main55212-35010i199511-199807
main55212-35020i199807
55223AINSULATOR, DASH PANEL, OUTER
main55223-35040i199807
55223BINSULATOR, DASH PANEL HEAT, NO.1
main55225-35070i199511-199807
main55225-35080i199511-199807
main55225-35110i199807
55223CCLIP
main90467-08178i199511-199807
55267BCOVER, DASH PANEL INSULATOR, NO.3
main55267-35010i199511
57104AMEMBER SUB-ASSY, FRONT CROSS
main57104-35030i199511
57211ABRACKET, BODY MOUNTING, NO.1 RH
main57211-35010i199511
57212ABRACKET, BODY MOUNTING, NO.1 LH
main57212-35030i199511
9011906394
9011906416
9017906308
9018305047
9046708178
9046709184
9046710173
9046710189
9095001866
9095001872
9095001882

44 parts on this diagram · 1 diagram in section

FRONT FENDER APRON & DASH PANEL — Toyota Parts Diagram with OEM Numbers & Prices | EPC Data