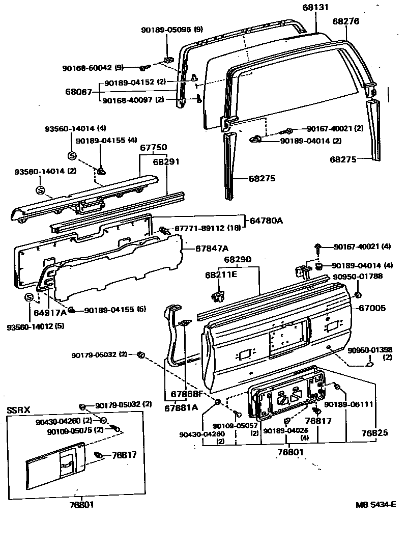
BACK DOOR PANEL & GLASS

64780APANEL ASSY, BACK DOOR TRIM
RED,TRIM3#
GRAY,TRIM1#
BLUE,TRIM8#
BROWN,TRIM4#
TAN,TRIM4#
OAK,TRIM4#
64917ABOARD, BACK DOOR PANEL, INNER
67005PANEL SUB-ASSY, BACK DOOR
W(ALUMINUM WHEEL)
W(ALUMINUM WHEEL) OR W(10.5R15 7JJ TIRE)
67750BOARD ASSY, BACK DOOR TRIM
RED,TRIM3#
GRAY,TRIM1#
BLUE,TRIM8#
BROWN,TRIM4#
TAN,TRIM4#
OAK,TRIM4#
67847ACOVER, BACK DOOR SERVICE HOLE
67881AWEATHERSTRIP, BACK DOOR
68067FRAME ASSY, BACK DOOR WINDOW, UPPER RH
68131GLASS, BACK DOOR
*EHTT,T=4.0,BLUE,W(REAR DEFOGGER)
*EHTT,T=4.0,BLUE
*EHTT,T=4.0,BRONZE
*EHSERT,T=4.0,BRONZE,PRIVATE GLASS
*EHSERT,T=4.0,BRONZE,W(PRIVATE GLASS)
*EHSERT,T=4.0,GRAY,W(REAR DEFOGGER & PRIVATE GLASS)
sub68105-89108
*TT,T=4.0,BLUE
*TT,T=4.0,BRONZE
*SERT,T=4.0,BRONZE,PRIVATE GLASS
*SERT,T=4.0,DK.GRAY
*SERT,T=4.0,DK.GRAY,W(PRIVATE GLASS)
68211ECLIP, DOOR GLASS WEATHERSTRIP
68275RUN, BACK DOOR GLASS
68276RUN, BACK DOOR GLASS, UPPER
68291WEATHERSTRIP, BACK DOOR GLASS
76801GARNISH SUB-ASSY, BACK DOOR, OUTSIDE
NO PAINT REQ.
PLATED
W(ALUMINUM WHEEL)
76817CLIP, BACK DOOR OUTSIDE GARNISH
W(ALUMINIUM HEEL)
76825PROTECTOR, BACK DOOR OUTSIDE GARNISH
W(ALUMINUM WHEEL)
6777189112WEATHERSTRIP, BACK DOOR TRIM, RH
main67771-89112
9010905057
main90109-05057
9010905075
main90109-05075
9016740021
main90167-40021
9016840097
main90168-40097
9016850042
main90168-50042
9017905032
main90179-05032
9018904014
main90189-04014
9018904025
main90189-04025
9018904152
main90189-04152
9018904155
main90189-04155
9018905096
main90189-05096
9018906111
main90189-06111
9043004260
main90430-04260
9095001398
main90950-01398
9095001788
main90950-01788
9356014012
main93560-14012
9356014014
main93560-14014
35 parts on this diagram · 1 diagram in section