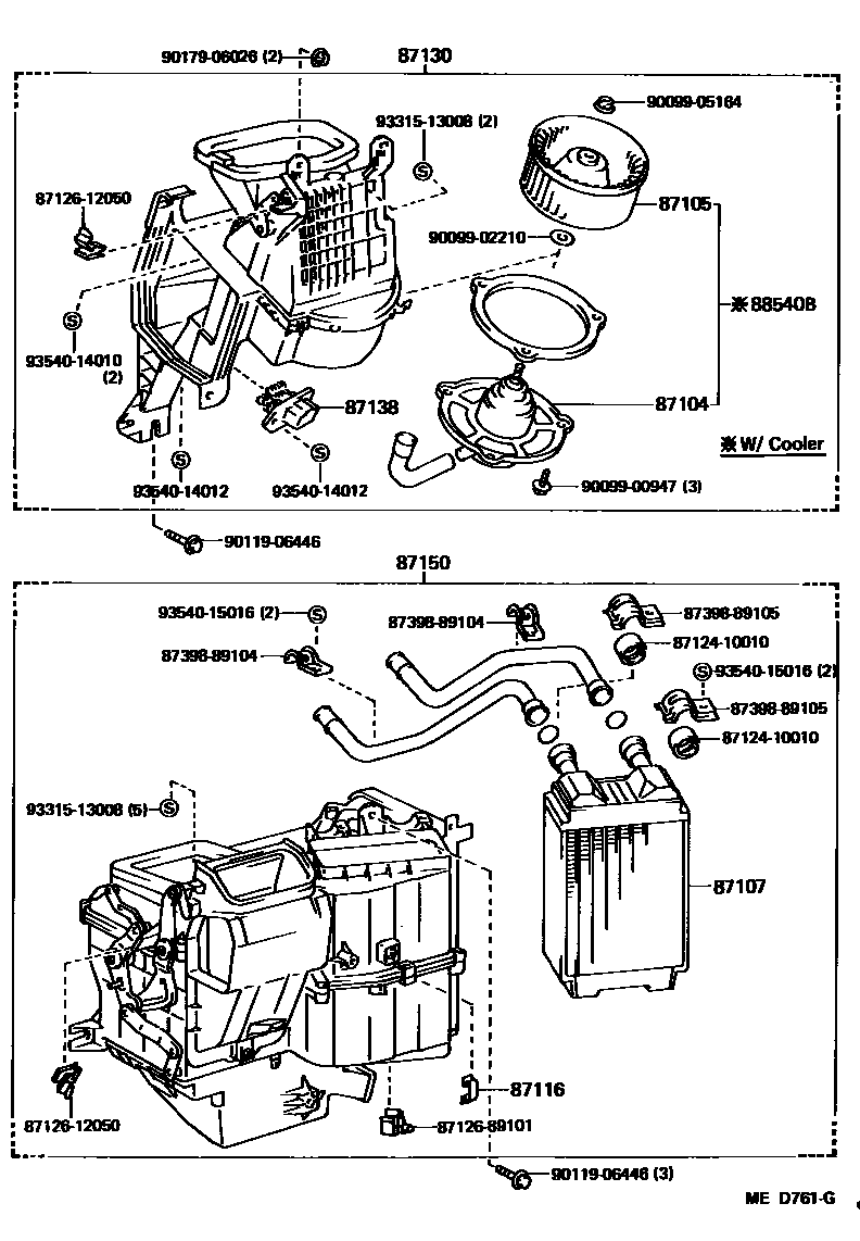
HEATING & AIR CONDITIONING - HEATER UNIT & BLOWER

87104MOTOR SUB-ASSY, HEATER BLOWER
COOLER & HEATER,COOLER & *BV
HEAVY HEATER
HEATER
STD HEATER OR *BV ONLY
87105FAN SUB-ASSY, HEATER BLOWER
HEAVY HEATER
STD HEATER OR *BV ONLY
87116SPRING, HEATER CASE FASTENING
87130BLOWER ASSY, HEATER, FRONT
STD HEATER OR *BV
HEAVY HEATER
HEATER
COOLER & HEATER,COOLER & *BV
HEAVY HEATER
HEATER
STD HEATER OR *BV
87138RESISTOR, HEATER BLOWER
HEATER
HEAVY HEATER
STD HEATER OR *BV
W/COOLER
HEAVY HEATER
HEATER
STD HEATER OR *BV
88540BMOTOR ASSY, W/FAN
STD HEATER OR *BV,W/COOLER
8712410010CLAMP, HEATER
main87124-10010
8712612050CLAMP, HEATER CONTROL
main87126-12050
8712689101CLAMP, HEATER CONTROL
main87126-89101
8739889104BAND ASSY (FOR COMBUSTION HEATER)
main87398-89104
8739889105BAND ASSY (FOR COMBUSTION HEATER)
main87398-89105
9009900947
main90099-00947
9009902210
main90099-02210
9009905164
main90099-05164
9011906446
main90119-06446
9017906026
main90179-06026
9331513008
main93315-13008
9354014010
main93540-14010
9354014012
main93540-14012
9354015016
main93540-15016
22 parts on this diagram · 3 diagrams in section