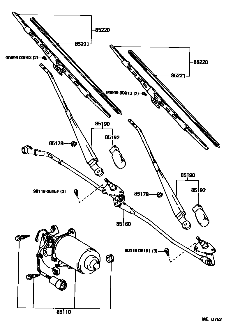
WINDSHIELD WIPER

85110MOTOR ASSY, WINDSHIELD WIPER
sub85110-89134
COLD SPEC
COLD SPEC
main85110-89139iRN55..CND..CBR;RN55..10T..CND;RN55..SR5..CND;LN56,66,RN50,6#,7#,VZN6#..CND198608-198903
85160LINK ASSY, WINDSHIELD WIPER
sub85160-89122
COLD SPEC
COLD SPEC
main85160-89124iRN55..CND..CBR;RN55..10T..CND;RN55..SR5..CND;LN56,66,RN50,6#,7#,VZN6#..CND198608-198903
85178NUT (FOR FRONT WIPER ARM SETTING)
sub90179-08204
85190ARM ASSY, WINDSHIELD WIPER
LH
RH
85192COVER, WINDSHIELD WIPER ARM
RH
LH
85220BLADE ASSY, WINDSHIELD WIPER
sub85212-60030
85221BLADE, WINDSHIELD WIPER
sub85214-12H90
9009900913
main90099-00913
9011906151
main90119-06151
9 parts on this diagram · 1 diagram in section