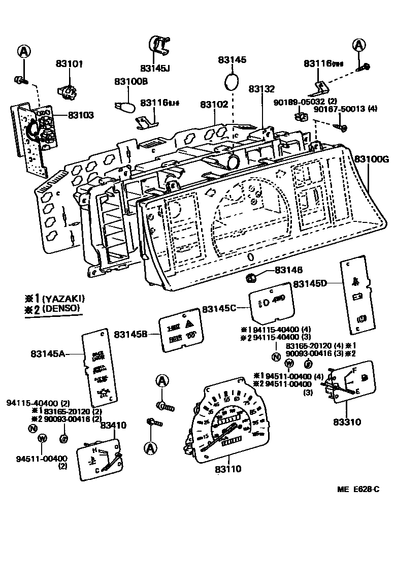
METER

83100BBULB, COMBINATION METER, NO.1
12V 1.2W W/O SOCKET,12V 1.4W, W/TACHOMETER
12V 3.4W,12V 3.4W
83100GGLASS, COMBINATION METER
DENSO
YAZAKI
W/TACHOMETER
83101SOCKET SUB-ASSY, COMBINATION METER BULB
12V 3.4W
12V 1.4W,W/TACHOMETER
YAZAKI,12V 3.4W
83102PLATE SUB-ASSY, COMBINATION METER CIRCUIT, NO.1
YAZAKI
DENSO
DENSO
83103PLATE SUB-ASSY, COMBINATION METER CIRCUIT, NO.2
83110SPEEDOMETER ASSY
MILE & KM
MILE & KM
KM & MILE
KM & MILE
MILE & KM
KM & MILE
MILE&KM,ELECTRIC SERVO PACKAGE
KM&MILE,ELECTRIC SERVO PACKAGE
MILE & KM
KM & MILE
MILE & KM
KM & MILE
MILE & KM
KM & MILE
KM & MILE
MILE & KM
YAZAKI,MILE & KM
KM & MILE
KM & MILE
MILE & KM,W/TACHOMETER
KM & MILE
DENSO,MILE & KM
83116BRACKET, SPEEDOMETER
RH
LH
YAZAKI,RH
RH
YAZAKI,LH
LH
DENSO,RH
DENSO,LH
RH
LH
83132CASE, COMBINATION METER
YAZAKI
DENSO
83145LENS, METER, NO.1
YAZAKI
83145ALENS, METER, NO.2
DENSO
main83145-89342iRN55..10T..USA;RN55..RCB..(HLF,HVY)..EFI;RN6#,75,VZN6#..(DLX,STD)..USA..EFI198608-198903
83145BLENS, METER, NO.3
83145CLENS, METER, NO.4
DENSO
DENSO
YAZAKI
83145DLENS, METER, NO.5
DENSO
YAZAKI
YAZAKI
83145JADAPTER, METER BULB SOCKET
YAZAKI
83146GROMMET, METER GLASS
83310GAGE ASSY, FUEL RECEIVER
DENSO
YAZAKI
83410GAGE ASSY, WATER TEMPERATURE RECEIVER
DENSO
YAZAKI
8316520120MIRROR, COMBINATION METER, NO.2
main83165-20120
9009300416
main90093-00416
9016750013
main90167-50013
9018905032
main90189-05032
9411540400
main94115-40400
9451100400
main94511-00400
23 parts on this diagram · 6 diagrams in section