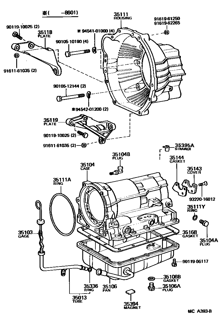
TRANSMISSION CASE & OIL PAN (ATM)

35013TUBE SUB-ASSY, TRANSMISSION OIL FILLER
35104APLUG, AUTOMATIC TRANSMISSION CASE
35104BPLUG, BREATHER, NO.1 (ATM)
TRANSMISSON CASE SIDE
BODY SIDE
35106PAN SUB-ASSY, AUTOMATIC TRANSMISSION OIL
sub35106-30051
sub35106-30061
sub35106-30100
sub35106-35011
sub35106-35021
35106APLUG SUB-ASSY, DRAIN (ATM)
sub90341-10011
35106BGASKET, DRAIN PLUG (ATM)
35111YRING, O (FOR AUTOMATIC TRANSMISSION CASE)
35118PLATE, STIFENER, RH (ATM)
35143COVER, TRANSMISSION CASE, REAR
35144GASKET, TRANSMISSION CASE REAR COVER
sub35144-28010
35336RING, O (FOR TRANSMISSION OIL FILLER TUBE)
35394MAGNET, OIL CLEANER (FOR TRANSMISSION)
35395ASTRAINER, GOVERNOR OIL
9010510190
main90105-10190
9010512144
main90105-12144
9011906117
main90119-06117
9011910025
main90119-10025
9161161035
main91611-61035
9161961250
main91619-61250
9161962265
main91619-62265
9322016012
main93220-16012
9454101000
main94541-01000
9454201200
main94542-01200
29 parts on this diagram · 2 diagrams in section