E
EPC Data

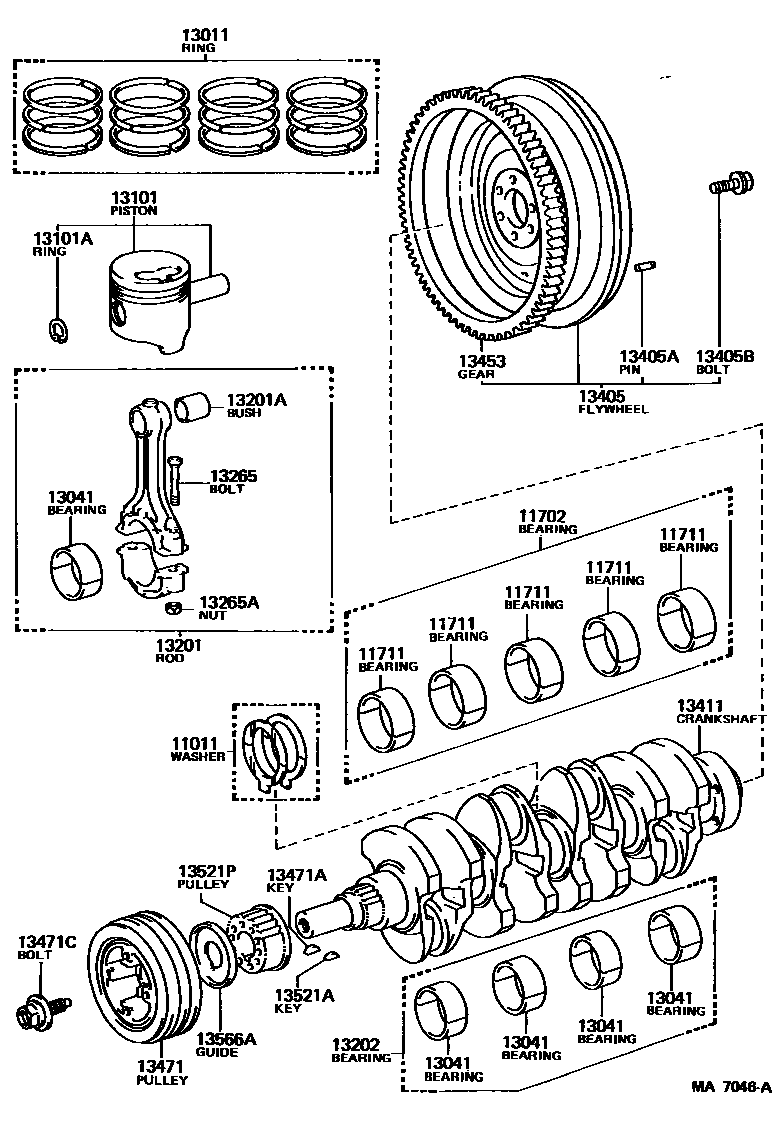
CRANKSHAFT & PISTON

Parts diagram
11011WASHER SET, CRANKSHAFT THRUST
main11011-35010i198308-198310
STD,STD
main11011-35011i198310-198408
STD,STD
main11011-35020i198408-198903
STD,STD
main11011-54010i198308-198708
STD,STD
main11011-62010i198711-198903
STD
main11012-35020i198308-198310
O/S 0.125,O/S 0.125
main11012-35021i198310-198408
O/S 0.125,O/S 0.125
main11012-35030i198408-198903
O/S 0.125,O/S 0.125
main11012-54010i198308-198708
O/S 0.125,O/S 0.125
main11013-35020i198308-198310
O/S 0.250,O/S 0.25
main11013-35021i198310-198408
O/S 0.250,O/S 0.25
main11013-35030i198408-198903
O/S 0.250,O/S 0.25
main11013-54010i198308-198708
O/S 0.250,O/S 0.250
11702BEARING SET, CRANKSHAFT
main11702-38011i198308-198408
STD,STD
main11704-35040i198408-198903
U/S 0.25,U/S 0.25
main11704-38011i198308-198408
U/S 0.25,U/S 0.25
main11704-54060i198308-198708
U/S 0.25,U/S 0.25
main11704-65010i198711-198903
U/S 0.25,U/S 0.25
main11705-54060i198308-198708
U/S 0.50,U/S 0.50
main11705-65010i198711-198903
U/S 0.50,U/S 0.50
11711BEARING, CRANKSHAFT
main11071-65010-01i198711-198903
NO.2,MARK"1",MARK 1
main11071-65010-02i198711-198903
NO.2,MARK"2",MARK 2
main11071-65010-03i198711-198903
NO.2,MARK"3",MARK 3
main11071-65010-04i198711-198903
NO.2,MARK"4",MARK 4
main11071-65010-05i198711-198903
NO.2,MARK"5",MARK 5
main11701-35030-03i198408-198903
MARK"3",MARK 3
main11701-35030-04i198408-198903
MARK"4",MARK 4
main11701-35030-05i198408-198903
MARK"5",MARK 5
main11701-54060-01i198308-198708
MARK"1",MARK 1
main11701-54060-02i198308-198708
MARK"2",MARK 2
main11701-54060-03i198308-198708
MARK"3",MARK 3
main11701-65010-01i198711-198903
NO.1,MARK"1",MARK 1
main11701-65010-02i198711-198903
NO.1,MARK"2",MARK 2
main11701-65010-03i198711-198903
NO.1,MARK"3",MARK 3
main11701-65010-04i198711-198903
NO.1,MARK"4",MARK 4
main11701-65010-05i198711-198903
NO.1,MARK"5",MARK 5
13011RING SET, PISTON
main13011-35020i198308-198408
STD,STD
main13011-35040i198501-198608
STD,STD
main13011-35041i198608-198808
STD,STD
main13011-35050i198408-198508
STD
main13011-35051i198508-198607
STD,STD
main13011-35052i198607-198903
STD,STD
main13011-54060i198308-198509
STD,STD
main13011-54061i198509-198708
STD,STD
main13011-65020i198711-198808
STD
main13011-65021i198808-198903
STD
main13013-35020i198308-198408
O/S 0.50,O/S 0.50
main13013-35040i198501-198608
O/S 0.50,O/S 0.50
main13013-35041i198608-198808
O/S 0.50,O/S 0.50
main13013-35050i198408-198508
O/S 0.50
main13013-35051i198508-198607
O/S 0.50,O/S 0.50
main13013-35052i198607-198903
O/S 0.50,O/S 0.50
main13013-54060i198308-198509
O/S 0.50
main13013-54061i198509-198708
O/S 0.50,O/S 0.50
main13013-65020i198711-198808
O/S 0.50,O/S 0.50
main13013-65021i198808-198903
O/S 0.50,O/S 0.50
main13015-35020i198308-198408
O/S 1.00,O/S 1.00
main13015-35040i198501-198608
O/S 1.00,O/S 1.00
main13015-35041i198608-198808
O/S 1.00,O/S 1.00
main13015-35050i198408-198508
O/S 1.00
main13015-35051i198508-198607
O/S 1.00,O/S 1.00
main13015-35052i198607-198903
O/S 1.00,O/S 1.00
13041BEARING, CONNECTING ROD
main13041-35030-0Ai198408-198903
MARK"A",MARK A
main13041-35030-0Bi198408-198903
MARK"B",MARK B
main13041-35030-0Ci198408-198903
MARK"C",MARK C
main13041-54012-01i198308-198310
MARK"1",MARK 1
main13041-54012-02i198308-198310
MARK"2",MARK 2
main13041-54012-03i198308-198310
MARK"3",MARK 3
main13041-54013-01i198310-198708
MARK"1",MARK 1
main13041-54013-02i198310-198708
MARK"2",MARK 2
main13041-54013-03i198310-198708
MARK"3",MARK 3
main13041-54040-01i198408-198708
MARK"1",MARK 1
main13041-54040-02i198408-198708
MARK"2",MARK 2
main13041-54040-03i198408-198708
MARK"3",MARK 3
main13041-65020-01i198711-198903
MARK"1",MARK 1
main13041-65020-02i198711-198903
MARK"2",MARK 2
main13041-65020-03i198711-198903
MARK"3",MARK 3
13101PISTON SUB-ASSY, W/PIN
main13101-35020i198308-198408
STD,STD
main13101-35030i198408-198512
STD,STD
main13101-35031i198512-198801
STD,STD
main13101-35032-01i198801-198903
STD,STD,MARK"1",MARK 1
main13101-35032-02i198801-198903
STD,STD,MARK"2",MARK 2
main13101-35032-03i198801-198903
STD,STD,MARK"3",MARK 3
main13101-35050i198501-198801
STD,STD
main13101-35050-01i198801-198808
STD,STD,MARK 1,MARK 1
main13101-35050-02i198801-198808
STD,STD,MARK 2,MARK 2
main13101-35050-03i198801-198808
STD,STD,MARK 3,MARK 3
main13101-54050i198408-198708
STD,STD
main13101-54060i198308-198708
STD,STD
main13101-65010i198711-198801
STD,NO.1,STD
main13101-65010-01i198801-198808
STD,NO.1,STD,MARK 1,MARK 1
main13101-65010-02i198801-198808
STD,NO.1,STD,MARK 2,MARK 2
main13101-65010-03i198801-198808
STD,NO.1,STD,MARK 3,MARK 3
main13101-65030-01i198808-198903
STD,NO.1,STD,MARK 1,MARK 1
main13101-65030-02i198808-198903
STD,NO.1,STD,MARK 2,MARK 2
main13101-65030-03i198808-198903
STD,NO.1,STD,MARK 3,MARK 3
main13103-35030i198308-198408
O/S 0.50,O/S 0.50
main13103-35040i198408-198512
O/S 0.50,O/S 0.50
main13103-35041i198512-198801
O/S 0.50,O/S 0.50
main13103-35042i198801-198903
O/S 0.50,O/S 0.50
main13103-35050i198501-198808
O/S 0.50,O/S 0.50
main13103-54050i198408-198708
O/S 0.50,O/S 0.50
main13103-54060i198308-198708
O/S 0.50,O/S 0.50
main13103-65010i198711-198808
O/S 0.50,NO.1,O/S 0.50
main13103-65030i198808-198903
O/S 0.50,NO.1,O/S 0.50
main13105-35030i198308-198408
O/S 1.00,O/S 1.00
main13105-35040i198408-198512
O/S 1.00,O/S 1.00
main13105-35041i198512-198801
O/S 1.00,O/S 1.00
main13105-35042i198801-198903
O/S 1.00,O/S 1.00
main13105-35050i198501-198808
O/S 1.00,O/S 1.00
main13301-65010i198711-198801
STD,NO.2,STD
main13301-65010-01i198801-198808
STD,NO.2,STD,MARK 1,MARK 1
main13301-65010-02i198801-198808
STD,NO.2,STD,MARK,MARK 2
main13301-65010-03i198801-198808
STD,NO.2,STD,MARK,MARK 3
main13301-65030-01i198808-198903
STD,NO.2,STD,MARK 1,MARK 1
main13301-65030-02i198808-198903
STD,NO.2,STD,MARK,MARK 2
main13301-65030-03i198808-198903
STD,NO.2,STD,MARK,MARK 3
main13303-65010i198711-198808
O/S 0.50,NO.2,O/S 0.50
main13303-65030i198808-198903
O/S 0.50,NO.2,O/S 0.50
13101ARING, HOLE SNAP(FOR PISTON PIN)
main90521-25105i198308-198903
main90521-29003i198308-198708
main90521-31001i198408-198708
13201ROD SUB-ASSY, CONNECTING
main13201-39015i198412-198903
main13201-39025i198308-198412
main13201-59016i198308-198708
main13201-59026i198408-198708
main13201-69105i198711-198903
13201ABUSH(FOR CONNECTING ROD SMALL END)
main90999-73072i198308-198903
main90999-73083i198308-198708
main90999-73094i198408-198708
13202BEARING SET, CONNECTING ROD
main13202-38011i198308-198408
STD,STD
main13204-35040i198408-198903
U/S 0.25,U/S 0.25
main13204-38011i198308-198408
U/S 0.25,U/S 0.25
main13204-54012i198308-198310
U/S 0.25
main13204-54013i198310-198708
U/S 0.25,U/S 0.25
main13204-54040i198408-198708
U/S 0.25,U/S 0.25
main13204-65020i198711-198903
U/S 0.25,U/S 0.25
main13205-54012i198308-198310
U/S 0.50
main13205-54013i198310-198708
U/S 0.50,U/S 0.50
main13205-54040i198408-198708
U/S 0.50,U/S 0.50
main13205-65020i198711-198903
U/S 0.50,U/S 0.50
13265BOLT, CONNECTING ROD
main13265-39025i198308-198903
main13265-54011i198308-198708
main13265-65010i198711-198903
13265ANUT, HEXAGON(FOR CONNECTING ROD BOLT)
main90170-10005i198308-198708
main90170-10198i198308-198903
main90179-08118i198711-198903
13405FLYWHEEL SUB-ASSY
main13405-35021i198803-198903
main13405-35030i198803-198903
main13405-39106i198508-198803
N=115
main13405-39225i198308-198803
N=115
main13405-59066i198308-198708
main13405-65010i198711-198903
13405APIN, STRAIGHT(FOR FLYWHEEL)
main90250-08054i198308-198903
L=23,OD=8
main90250-08120i198711-198903
L=18,OD=8
13405BBOLT, FLYWHEEL SETTING
main90105-10207i198711-198903
main90105-12011i198308-198501
main90105-12109i198501-198708
main90913-01011i198308-198903
*11-1.25PX26-18
13411CRANKSHAFT
main13401-54021i198408-198708
main13401-54030i198308-198708
main13411-38010i198308-198903
main13411-65900i198711-198903
13453GEAR, FLYWHEEL RING
main13453-20010i198308-198903
N=115
main13453-54010i198308-198708
main13453-65010i198711-198903
13471PULLEY, CRANKSHAFT
main13408-38010i198308-198408
main13408-54020i198308-198708
main13408-65010i198711-198806
main13408-65011i198806-198903
main13470-35020i198408-198903
W/0 AIR PUMP
main13470-35030i198708-198808
W/AIR PUMP
13471AKEY, CRANKSHAFT(FOR CRANKSHAFT PULLEY SET)
main90280-05010i198308-198609
main95161-10519i198609-198903
main95161-20622i198308-198708
13471CBOLT(FOR CRANKSHAFT PULLEY SET)
main90105-14004i198308-198903
main90105-16031i198711-198903
main90119-14005i198308-198708
*14-1.5PX40-31
13521GEAR OR SPROCKET, CRANKSHAFT TIMING
main13521-35010i198308-198903
N=18
13521AKEY(FOR CRANKSHAFT TIMING GEAR)
main90280-05010i198308-198609
main95161-10519i198609-198903
main95161-20622i198308-198708
13521PPULLEY, CRANKSHAFT TIMING
main13521-54020i198308-198708
main13521-65010i198711-198806
main13521-65011i198806-198903
13566AGUIDE, TIMING BELT
main13566-54010i198308-198708
main13567-62010i198711-198903

24 parts on this diagram · 3 diagrams in section

CRANKSHAFT & PISTON — Toyota Parts Diagram with OEM Numbers & Prices | EPC Data