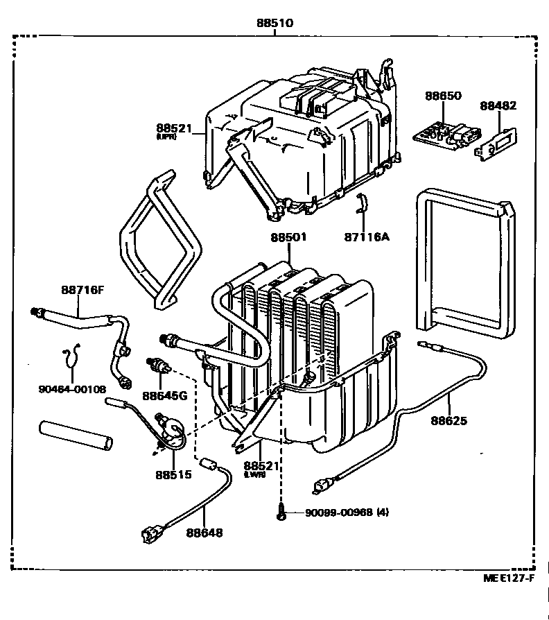
HEATING & AIR CONDITIONING - COOLER UNIT

87116ASPRING, HOLDING (FOR COOLER UNIT CASE)
88482CAP, COOLER
88501EVAPORATOR SUB-ASSY, COOLER, NO.1
sub88501-89109
sub88501-89110
main88501-89110iYN58..4F;YN58..SR5,STD;LN51,56,61,65,YN50,51,55,56,57,63,67..RHD..(4F,4FC,4H,5F)..(ARL,GEN,SA)198601-199807
88521CASE, COOLER UNIT
UPPER
LOWER
UPPER
LOWER
88625THERMISTOR, COOLER, NO.1
88645GSWITCH, PRESSURE
88648WIRING, COOLER, NO.1
88716FPIPE, COOLER REFRIGERANT LIQUID, F
main88716-89149iYN58..4F;YN58..SR5,STD;LN50,51,55,56,60,61,65,YN50,51,55,56,57,60,63,65,67..RHD..(4F,4FC,4H,5F)..(ARL,GEN,SA)198308-199807
9009900968
main90099-00968
9046400108
main90464-00108
13 parts on this diagram · 3 diagrams in section