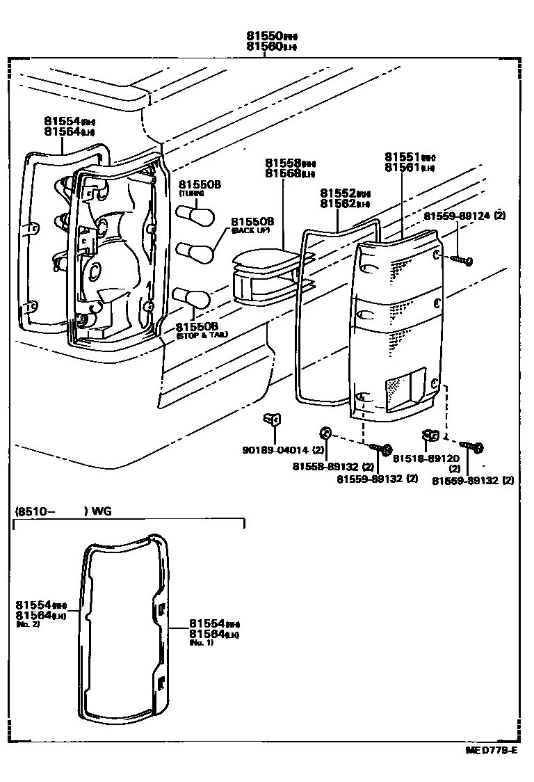
REAR COMBINATION LAMP

81550LAMP ASSY, REAR COMBINATION, RH
sub81550-80215
sub81550-80216
sub81550-80219
sub81550-89139
sub81550-80218
sub81550-89142
sub81550-89148
main81550-80216iYN65..4F..GEN..CBU;YN65..(ARL,SA)..CBU;LN5#,6#,YN50,55,57,60..(T1,TW)..(ARL,GEN,SA)..CBU198401-199201
sub81550-89146
main81550-80217iYN57..LHD..4F;YN57..(4FC,5F)..(DLX,SR5);LN55,YN50,52,55,6#..(T1,TW)..(DLX,SR5)198401-199201
CHROME PLATED
sub81550-89147
sub81550-89151
sub81550-89152
CHROME PLATED
COSTARICA SPEC
81550BBULB(FOR REAR COMBINATION LAMP)
12V 21W,12V 21W(TURN OR BACK UP)
main99132-11230iYN65..4F;YN65..ARL;LN5#,6#,RN5#,YN50,52,55,56,57,58,60,62,63,67..ARL,GEN,ME198308-199201
12V 23W,12V 23W(TURN OR BACK UP)
12V 21/5W,12V 21/5W(STOP & TAIL)
81551LENS, REAR COMBINATION LAMP, RH
sub81551-60180
main81551-89131iYN65..4F..CBU;YN65..ARL..CBU;LN5#,6#,RN5#,YN50,52,55,56,57,58,60,62,63,67..(T1,TW,WG)..(ARL,GEN,ME)..CBU198308-199201
sub81559-89157
sub81551-89157
sub81551-89159
COSTARICA SPEC
81552GASKET, REAR COMBINATION LAMP LENS, RH
COSTARICA SPEC
81554GASKET, REAR COMBINATION LAMP BODY, RH
NO.1
NO.2
81558SHADE, REAR COMBINATION LAMP, NO.1 RH
COSTARICA SPEC
81560LAMP ASSY, REAR COMBINATION, LH
sub81560-80220
sub81560-80221
sub81560-80224
sub81560-89139
sub81560-80223
sub81560-89142
sub81560-89148
main81560-80221iYN65..4F..GEN..CBU;YN65..(ARL,SA)..CBU;LN5#,6#,YN50,55,57,60..(T1,TW)..(ARL,GEN,SA)..CBU198401-199201
sub81560-89146
main81560-80222iLN56,65,RN5#,YN50,52,55,57,58,60,65,67..(T1,TW)..(DLX,SR5)..(ARL,GEN,ME)..CBU198401-199201
CHROME PLATED
sub81560-89147
sub81560-89151
sub81560-89152
CHROME PLATED
COSTARICA SPEC
81561LENS, REAR COMBINATION LAMP, LH
sub81561-60080
main81561-89131iYN65..4F..CBU;YN65..ARL..CBU;LN5#,6#,RN5#,YN50,52,55,56,57,58,60,62,63,67..(T1,TW,WG)..(ARL,GEN,ME)..CBU198308-199201
sub81569-89157
sub81561-89157
sub81561-89159
COSTARICA SPEC
81562GASKET, REAR COMBINATION LAMP LENS, LH
COSTARICA SPEC
81564GASKET, REAR COMBINATION LAMP BODY, LH
NO.1
NO.2
81568SHADE, REAR COMBINATION LAMP, NO.1 LH
COSTARICA SPEC
8151889120SHADE, FRONT TURN SIGNAL LAMP, RH
main81518-89120
8155889132SHADE, REAR COMBINATION LAMP, NO.1 RH
main81558-89132
8155989124MOULDING, REAR COMBINATION LAMP, RH
main81559-89124
8155989132MOULDING, REAR COMBINATION LAMP, RH
main81559-89132
9018904014
main90189-04014
16 parts on this diagram · 2 diagrams in section