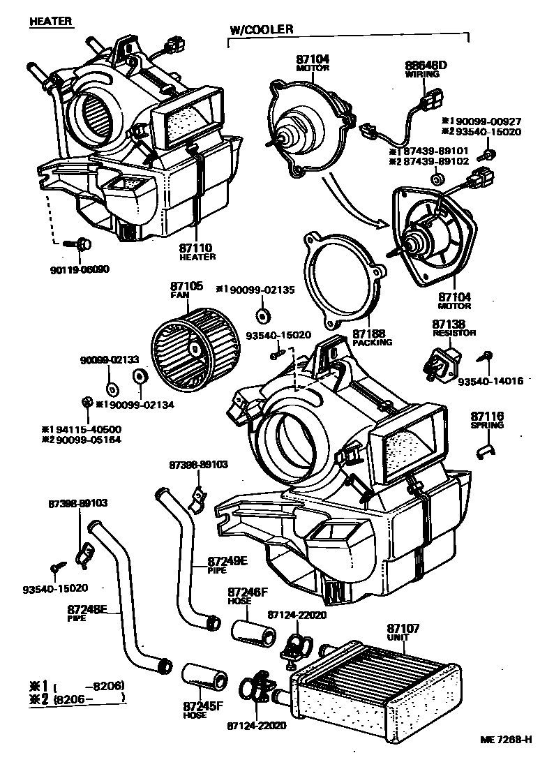
HEATING & AIR CONDITIONING - HEATER UNIT & BLOWER

87105FAN SUB-ASSY, HEATER BLOWER
87107UNIT SUB-ASSY, HEATER RADIATOR
STD
HEAVY DUTY
87110HEATER ASSY
STD
HEAVY DUTY
STD
HEAVY DUTY
HEAVY DUTY
STD
HEAVY DUTY
STD
87116SPRING, HEATER CASE FASTENING
87138RESISTOR, HEATER BLOWER
W/COOLER
W/COOLER
87188PACKING, HEATER BLOWER MOTOR
87245FHOSE, HEATER WATER, INLET F
*H,L=40
sub99556-30100
87246FHOSE, HEATER WATER, OUTLET F
*H,L=40
sub99556-30100
87248EPIPE, HEATER WATER INLET, E
87249EPIPE, HEATER WATER OUTLET, E (FOR HEATER UNIT)
88648DWIRING, BLOWER MOTER
W/COOLER
8712422020CLAMP, HEATER
main87124-22020
8739889103BAND ASSY (FOR COMBUSTION HEATER)
main87398-89103
8743989101
main87439-89101
8743989102
main87439-89102
9009900927
main90099-00927
9009902133
main90099-02133
9009902134
main90099-02134
9009902135
main90099-02135
9009905164
main90099-05164
9011906090
main90119-06090
9354014016
main93540-14016
9354015020
main93540-15020
9411540500
main94115-40500
25 parts on this diagram · 2 diagrams in section