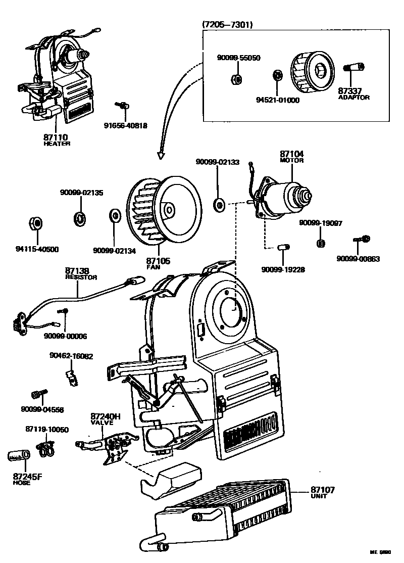
HEATING & AIR CONDITIONING - HEATER UNIT & BLOWER

87104MOTOR SUB-ASSY, HEATER BLOWER
HEAVY DUTY HEATER
HEAVY DUTY HEATER
HEAVY DUTY HEATER
87107UNIT SUB-ASSY, HEATER RADIATOR
87110HEATER ASSY
HEAVY DUTY HEATER
sub87110-89117
sub87110-89118
sub87110-89120
HEAVY DUTY HEATER
sub87110-89125
HEAVY DUTY HEATER
87138RESISTOR, HEATER BLOWER
87245FHOSE, HEATER WATER, INLET F
87337ADAPTER, HEATER BLOWER MOTOR
8711910050
main87119-10050
9009900006
main90099-00006
9009900863
main90099-00863
9009902133
main90099-02133
9009902134
main90099-02134
9009902135
main90099-02135
9009904556
main90099-04556
9009919097
main90099-19097
9009919228
main90099-19228
9009955050
main90099-55050
9046216082
main90462-16082
9165640818
main91656-40818
9411540500
main94115-40500
9452101000
main94521-01000
22 parts on this diagram · 2 diagrams in section