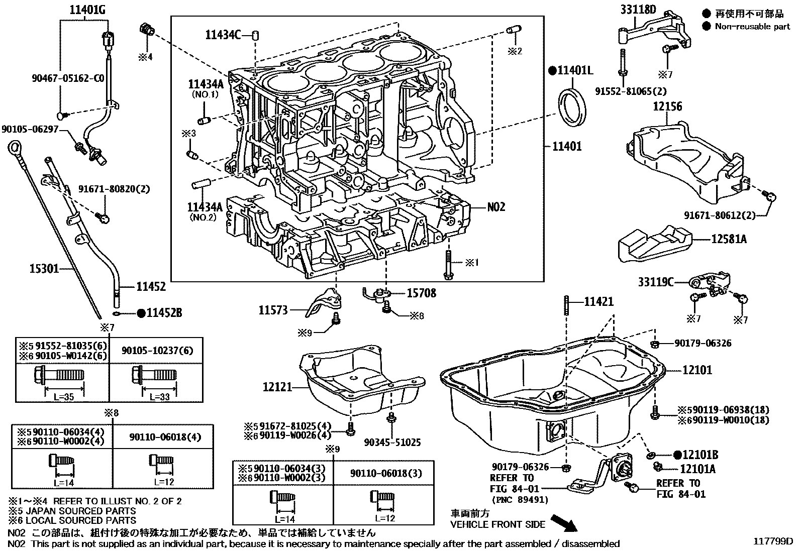
CYLINDER BLOCK

11401BLOCK SUB-ASSY, CYLINDER
1AD-FTV,*145
*119
2AD-FTV,*145
*119
2AD-FHV,*145
*145
sub11410-39036
sub11410-39037
sub11410-39038
*265 OR *524
*347
11401GSENSOR, CRANK POSITION
1AD-FTV,*119
2AD-FHV,*119
2AD-FTV,*119
*119
*145
main90919-05070i3ZRFE..ZSA42..JPP..X;3ZRFE..ZSA44..JPP..M;3ZRFE..ZSA42..JPP..B..(G,M);3ZRFE..ZSA44..JPP..B..(G,X)201212-201810
11401LSEAL, ENGINE REAR OIL
main90311-78002i3ZRFE..ZSA4#..RUP;3ZRFAE..ZSA44..RHD..X;3ZRFE..ZSA42..JPP..6F..(G,M);3ZRFE..ZSA44..JPP..6F..(G,X)201303-201810
*265 OR *524
1AD-FTV,(J),*119
(J),*119
2AD-FHV,(J),*119
2AD-FTV,(J),*119
*347
sub90311-W0020
11421BOLT, STUD(FOR OIL PAN)
1AD-FTV,*119
2AD-FHV,*119
2AD-FTV,*119
*119
*145
11434APIN, STRAIGHT(FOR TIMING GEAR COVER SET)
L=12,OD=4.0
L=14,OD=6,*347
L=14,OD=6,*265 OR *524
L=18,OD=8,NO.1:REFER ILLUST.
L=18,OD=8,*145,NO.1
L=18,OD=8,*119,NO.1
L=36,OD=10,NO.2:REFER ILLUST.
L=36,OD=10,*119,NO.2
L=36,OD=10,*145,NO.2
11434CPIN, STRAIGHT (FOR CYLINDER HEAD SET)
L=12,OD=4.0
L=15,OD=8,*119
L=15,OD=8,1AD-FTV,*119
L=15,OD=8,2AD-FHV,*119
L=15,OD=8,2AD-FTV,*119
L=15,OD=8,*145
L=15,OD=8
11452GUIDE, OIL LEVEL GAGE
*119
*145
*347
*265 OR *524
11452BRING, O(FOR OIL LEVEL GAGE GUIDE)
(L),*347
*119
*145
(J),*347
*265 OR *524
11573PLATE, OIL REFLECTOR
*119
1AD-FTV,*119
2AD-FHV,*119
2AD-FTV,*119
*145
12101PAN SUB-ASSY, OIL
(L),*347
*119
*265 OR *524
(J),*347
12101APLUG(FOR OIL PAN DRAIN)
*265 OR *524
*347
*119
*145
12101BGASKET(FOR OIL PAN DRAIN PLUG)
(J),*347
*119
*145
*265 OR *524
(L),*347
12121PLATE, OIL PAN BAFFLE, NO.1
*347
*119
*265 OR *524
12156INSULATOR, OIL PAN
12581AINSULATOR, CYLINDER BLOCK, NO.1
1AD-FTV,*119
*119
2AD-FHV,*119
2AD-FTV,*119
*145
15301GAGE SUB-ASSY, OIL LEVEL
*347
*145
*119
*119
*265 OR *524
sub15301-36032
main15301-37040i3ZRFAE..ZSA44..LHD;3ZRFE..ZSA42..JPP..X;3ZRFE..ZSA44..JPP..M;3ZRFAE..ZSA44..RHD..(G,M);3ZRFE..ZSA42..JPP..B..(G,M);3ZRFE..ZSA44..JPP..B..(G,X)201212-201810
sub15301-37020
15708NOZZLE SUB-ASSY, OIL, NO.1
*145
*119
*119
(L),*347
*265 OR *524
(J),*347
*347
main15708-37012i3ZRFAE..ZSA44..LHD;3ZRFE..ZSA42..JPP..X;3ZRFE..ZSA44..JPP..M;3ZRFAE..ZSA44..RHD..(G,M);3ZRFE..ZSA42..JPP..B..(G,M);3ZRFE..ZSA44..JPP..B..(G,X)201212-201810
33118DPLATE, STIFFENER, RH
33119CPLATE, STIFFENER, LH
8401
9010506297
main90105-06297
9010510237
main90105-10237
90105W0142
main90105-W0142
9011006018
main90110-06018
9011006034
main90110-06034
90110W0002
main90110-W0002
9011906938
main90119-06938
90119W0010
main90119-W0010
90119W0026
main90119-W0026
9017906326
main90179-06326
9034551025
main90345-51025
9046705162C0
main90467-05162C0
9155281035
main91552-81035
9155281065
main91552-81065
9167180612
main91671-80612
9167180820
main91671-80820
9167281025
main91672-81025
37 parts on this diagram · 10 diagrams in section